| KÁRMENTESÍTÉSI KÉZIKÖNYV 4 |
 |
 |
 |
 |
 |
 |
4. TECHNOLÓGIÁK RÉSZLETES ISMERTETÉSE, ÉRTÉKELÉSE
|
 |
 |
 |
 |
 |
4. 1 Bioventilláció
|
Mentesített
közeg: |
talaj, üledék,
iszap |
|
Technológiai
csoport: |
in situ biológiai |
|
Fejlesztési
állapot: |
üzemi |
Ismertetés:
|
A szennyezett, talajban
a biológiai lebontási folyamatot oxigénbevitellel
serkentik. A talajban természetesen jelenlévő
mikroorganizmusok számára a bejuttatott
oxigén segítségével az aerob
úton lebontható szennyezők eltávolításának
sebessége fokozható.
A talajpára/gáz kitermeléssel
ellentétben a bioventillációs eljárással
alacsony áramlási sebességgel csak
annyi oxigént juttatunk a talajba, amennyi a
mikroorganizmusok aktivitásának fenntartásához
szükséges. Az oxigén bevitele legtöbbször
közvetlen injektálással történik.
Az adszorbeált üzemanyag maradékok
eltávolításán túl
az illékony komponensek eltávolítására
is sor kerül.
A szervetlen szennyezők eltávolítására
a módszer nem hatékony. Kísérletek
folynak a technológia kiterjesztésére
a szervetlen szennyezőkre is. |
Alkalmazási korlátok:
- a magas talajvízállás (1-2 m), telített talajlencsék és
kis áteresztőképességű közeg;
- kivételesen alacsony nedvességtartalom;
- a talajfelszínen eltávozó
gázok megfigyelése szükséges
lehet;
- számos klórozott komponens aerob
bioremediációja sok esetben csak akkor
lehetséges ha ko-metabolit van jelen és/vagy
anaerob folyamatok is lezajlanak;
- az alacsony hőmérséklet csökkenti
a remediáció sebességét.
|
|
Melléktermék: |
nincs |
|
Megbízhatóság/kezelhetőség: |
nem értelmezhető |
|
Mentesítés
időtartama: |
szennyezés specifikus |
|
Átlagos költség:
Kritikus költségtényező |
jó |
|
Hatásfok:
NHVOC:
HVOC:
NHSVOC:
HSVOC:
SZERVETLENEK:
ÜZEMANYAGOK:
ROBBANÓANYAGOK:
RADIOAKTÍV ANYAGOK: |
célcsoport
csak a célcsoport egyes elemeire
csak a célcsoport egyes elemeire
csak a célcsoport egyes elemeire
nem várható eredmény
célcsoport
nincs elegendő információ
csak a célcsoport egyes elemeire |
4.1 A bioventillációs
eljárás vázlatos felépítése
4.2 Intenzifikált bioremediáció
|
Mentesített
közeg: |
talaj, üledék,
iszap |
|
Technológiai
csoport: |
in situ biológiai |
|
Fejlesztési
állapot: |
üzemi |
Ismertetés:
|
A szerves szennyezők mikrobák
általi eltávolításának,
vagy a szervetlen szennyezők immobilissá tétele
érdekében vizes oldatot cirkuláltatnak
a szennyezett közegen keresztül. A vizes oldatban
lévő tápanyag, oxigén a talajban
jelenlévő mikrobák aktivitását
növeli, ezáltal a szennyezőanyag lebontási
folyamat felgyorsul.
A mikrobák vagy természetesen jelen
vannak a talajban, vagy a szennyezett talajt beoltják.
A mikrobák a talajban és/vagy a talajvízben
található szerves szennyezőket lebontják
(metabolizálják), mely során egészségre
veszélytelen végtermék keletkezik.
Aerob feltételek mellett a szerves szennyező
CO2-ra, és vízre bomlik le.
Anaerob körülmények között
a szerves szennyezők végső soron metánra,
korlátozott mennyiségű CO2-ra
és nyomokban hidrogén gázra bomlanak.
Előfordulhat, hogy olyan átmeneti-, vagy végtermék
keletkezik a folyamat során, amely a kiinduló
szennyezésnél is veszélyesebb (pl.
TCE anaerob úton vinil-kloriddá alakul).
A folyamat megfigyelése ilyen esetben elengedhetetlen,
mert egyszerű beavatkozással - oxigén
bevitelével - a veszélyes anyagok aerob
úton lebonthatók. |
Alkalmazási korlátok:
- a vizes oldat cirkuláltatása következtében
a szennyezők mobilitása növekedhet,
amely a mélyebb rétegek vizének
tisztítását is szükségessé
teheti;
- számítani lehet a beszivárogtató
kutak mikrobák általi eltömődésére;
- nem alkalmazható agyag, erősen rétegzett
vagy heterogén közeg esetén az
oxigén átvitel korlátozása
miatt;
- nagy koncentrációjú nehéz
fémek, hosszú láncú
szénhidrogének, vagy szervetlen sók
mérgezőek lehetnek a mikroorganizmusok számára;
- a lebontás sebessége a hőmérséklet
csökkenésével fordítottan
arányos;
- a talaj szerkezete és összetétele
megakadályozhatja a szennyezőanyag és
a mikroorganizmusok érintkezését.
|
|
Melléktermék: |
nincs |
|
Megbízhatóság/kezelhetőség: |
nem értelmezhető |
|
Mentesítés
időtartama: |
szennyezés specifikus |
|
Átlagos költség:
Kritikus költségtényező |
szennyezés specifikus
működtetés, karbantartás |
|
Hatásfok:
NHVOC:
HVOC:
NHSVOC:
HSVOC:
SZERVETLENEK:
ÜZEMANYAGOK:
ROBBANÓANYAGOK:
RADIOAKTÍV ANYAGOK: |
célcsoport
célcsoport
csak a célcsoport egyes elemeire
csak a célcsoport egyes elemeire
csak a célcsoport egyes elemeire
célcsoport
célcsoport
csak a célcsoport egyes elemeire |
4.2 Az in-situ biodegradációs
eljárás alkalmazása talaj és talajvíz
remediációjára
4. 3 Talajmüveléses
kezelés
4.3 Talajműveléses kezelés
|
Mentesített
közeg: |
talaj, üledék,
iszap |
|
Technológiai
csoport: |
in situ biológiai |
|
Fejlesztési
állapot: |
üzemi |
Ismertetés:
|
Felszíni szennyezések
esetén a biológiai lebontás elősegítése
érdekében a szennyezett felszínt
felszántják, ezáltal a szennyezők
aerob lebontásához szükséges
oxigén bevitelével a lebontási
folyamat sebességét gyorsítják.
A szántás (forgatás) periodikus
ismétlésével ill. segédanyagok
alkalmazásával a hatásfok növelhető.
A lebontás feltételeinek szabályozásával
még kedvezőbb hatásfok érhető el.
Általában az alábbi paraméterek
beállítására kerül
sor:
- nedvességtartalom (öntözéssel);
- semleges pH beállítás mész
adagolással;
- egyéb adalékok talajhoz keverése
(tápanyag, stb.);
- levegőztetés (ütemezett szántás,
fellazítás). |
Alkalmazási korlátok:
- nagy területre van szükség;
- a biológiai lebontás feltételeinek
szabályozása nehézkes, a természetes
folyamatok (csapadék, hőmérséklet)
a lebontási folyamatot erősen befolyásolják,
elnyújthatják;
- a szervetlen szennyezők nem bomlanak le;
- a légszennyezés elkerülése
érdekében az illékony komponensek
előzetes kezelése szükséges lehet;
- elsősorban szántás idején
a porzás elleni védelemről gondoskodni
kell;
- fém ionok toxikusak lehetnek a mikrobák
számára és a szennyezett talajból
a mélyebb rétegekbe mosódhatnak;
- a kezelhető réteg maximális vastagságát
a szántási mélység határozza
meg (kb. 50 cm)
- a csurgalékvizek összegyűjtéséről
megfigyeléséről és/vagy kezeléséről
gondoskodni kell;
- környezeti adottságok (terepesés,
erózió) akadályozhatják
a módszer alkalmazását.
|
|
Melléktermék: |
nincs |
|
Megbízhatóság/kezelhetőség: |
nem értelmezhető |
|
Mentesítés
időtartama: |
szennyezés specifikus |
|
Átlagos költség:
Kritikus költségtényező |
szennyezés specifikus |
|
Hatásfok:
NHVOC:
HVOC:
NHSVOC:
HSVOC:
SZERVETLENEK:
ÜZEMANYAGOK:
ROBBANÓANYAGOK:
RADIOAKTÍV ANYAGOK: |
célcsoport
célcsoport
csak a célcsoport egyes elemeire
csak a célcsoport egyes elemeire
nem várható eredmény
célcsoport
csak a célcsoport egyes elemeire
csak a célcsoport egyes elemeire |
4. 4 Természetes csökkenés
talajban
|
Mentesített
közeg: |
talaj, üledék,
iszap |
|
Technológiai
csoport: |
in situ biológiai |
|
Fejlesztési
állapot: |
üzemi |
Ismertetés:
|
Természetes folyamatok mint pl.
a hígulás, kipárolgás, biológiai
lebomlás, adszorpció, és kémiai
reakciók következtében a szennyezés
bizonyos mértékű természetes csökkenése
játszódik le.
A felszín közeli és mélyebb
rétegek a természetes csökkenés
szempontjából eltérő tulajdonságokkal
bírnak.
A mélyebb rétegekben a mobil szennyezés
a talajgázba vagy folyadék fázisba
diffundál ezzel jó feltételeket
biztosít a szennyezők természetes csökkenéséhez.
A legtöbb nagy molekulasúlyú szerves
szennyező és a számos szervetlen szennyező
immobilizálódik A szerves szennyezők lebomlása
gyakran nagyon nehézkes és a fémek
teljesen megmaradnak. Expozíciós utak
nélkül ezek a szennyezők kockázatot
nem jelentenek. A megfigyelés azonban fontos,
mert váratlan események, vagy folyamatok
(pl. friss oldószer bejutása, kémiai
átalakulás stb.) a szennyezés immobilizációjához
vezethetnek.
A természetes lebomlás mint mentesítési
technológia nem azonos a nem beavatkozással. |
Alkalmazási korlátok:
- a terület részletes feltárása
és hosszú távú megfigyelése
drágább lehet, mint egyéb "aktív"
mentesítési technológia;
- egyes transzformált bomlásközi
szennyezők toxikusabbak lehetnek, mint az eredeti
anyag;
- hasadékos közegben (karsztos területek)
a szennyezés terjedése kiszámíthatatlan,
helyben tartása ne-hézkes;
- a felszín alatti vizek szennyezése
miatt a vízkészlet használatáról
le kell mondani;
- nem víz fázisú folyadékok
vagy szabad fázisban lévő szennyezők
eltávolítása a természetes
lebomlás előtt szükséges lehet;
- fémek csak ideiglenesen válnak
immobilissá, mert a természetes lebomlás
során a talajban újra oxi-dált
környezet jön létre.
|
|
Melléktermék: |
nincs |
|
Megbízhatóság/kezelhetőség: |
nem értelmezhető |
|
Mentesítés
időtartama: |
rossz |
|
Átlagos költség:
Kritikus költségtényező |
szennyezés specifikus
működtetés, karbantartás |
|
Hatásfok:
NHVOC:
HVOC:
NHSVOC:
HSVOC:
SZERVETLENEK:
ÜZEMANYAGOK:
ROBBANÓANYAGOK:
RADIOAKTÍV ANYAGOK: |
célcsoport
csak a célcsoport egyes elemeire
csak a célcsoport egyes elemeire
csak a célcsoport egyes elemeire
csak a célcsoport egyes elemeire
csak a célcsoport egyes elemeire
csak a célcsoport egyes elemeire
csak a célcsoport egyes elemeire |
4.4 Természetes lebomlás
nyomonkövetése monitoringkúttal
4. 5 Egyszerű
fitoremedáció
4.5 Fitoremediáció
|
Mentesített
közeg: |
talaj, üledék,
iszap |
|
Technológiai
csoport: |
in situ biológiai |
|
Fejlesztési
állapot: |
kísérleti |
Ismertetés:
|
Fitoremediáció
során a szerves vagy szervetlen szennyezések
eltávolítása, átalakítása,
megkötése a növények segítségével
történik.
Az eltávolítás mechanizmusa
alapján megkülönböztetünk
a gyökérzónában bio-degradációt,
fito-extrakciót (fito-akkumuláció),
vagy fito-degradációt, vagy fito-stabilizációt.
Elősegített gyökérzóna
degradáció: a lebontás a növények
gyökereinek közvetlen közelében
zajlik le. A gyökerek környezetében
jelenlévő/kibocsátott tápanyagok
elősegítik a mikroorganizmusok aktivitását.
Fito-akkumuláció: a növények
gyökérzetükön keresztül felveszik
a szennyezőanyagot, majd felhalmozzák.
Fito-degradáció: a szennyezőanyag átalakulása
a növények szöveteiben. A növények
enzimeket termelnek, amelyek pl. dehalogénezésre
vagy oxidálásra képesek segítve
a lebontás folyamatát. Kutatások
folynak, hogy vajon mindkét (aromás és
klórozott alifás) komponens esetében
létrejöhet-e a lebontás.
Fito-stabilizáció: a növények
által termelt kémiai elemek hatására
a gyökerek közelében megkötődnek
a szennyezések. |
Alkalmazási korlátok:
- a mentesített közeg mélységét
a növényzet gyökérzóna
mélysége határozza meg (általában
csak sekély mélység esetén
alkalmazható);
- nehézfémek magas koncentrációja
toxikus lehet a növényekre nézve;
- szezonális lehet helytől és növénytől
függően;
- a szennyezést továbbíthatja
a talajból a levegőbe (leveleken keresztül);
- nem hatásos erősen vagy gyengén
kötött szennyezőkre (pl. PCB-k);
- az átalakulás során keletkező
anyagok (végtermék) toxicitása
vagy biológiai alkalmazhatósága
nem mindig ismert;
- a végtermék mobilizálódhat,
bekerülhet a felszín alatti vizekbe,
majd felhalmozódhat az állatok szervezetében.
|
|
Melléktermék: |
nincs |
|
Megbízhatóság/kezelhetőség: |
átlagos |
|
Mentesítés
időtartama: |
rossz |
|
Átlagos költség:
Kritikus költségtényező |
jó |
|
Hatásfok:
NHVOC:
HVOC:
NHSVOC:
HSVOC:
SZERVETLENEK:
ÜZEMANYAGOK:
ROBBANÓANYAGOK:
RADIOAKTÍV ANYAGOK: |
korlátozott hatásfok
korlátozott hatásfok
korlátozott hatásfok
korlátozott hatásfok
korlátozott hatásfok
célcsoport
célcsoport
nem várható eredmény |
4 .6 Elektrokinetikus szétválasztás
|
Mentesített
közeg: |
talaj, üledék,
iszap |
|
Technológiai
csoport: |
iIn situ fizikai/kémiai |
|
Fejlesztési
állapot: |
üzemi |
Ismertetés:
|
Az elektrokinetikus szétválasztás
eltávolítja a fémeket és
a szerves szennyezőket a rossz áteresztő képességű
talajokból, iszapból, elektrokémiai
és elektrokinetikus folyamatok segítségével
deszorbeálja, majd eltávolítja
a fémeket és a poláris szerves
szennyezőket.
Az elektrokinetikus mentesítés alapelve:
a talajba helyezett kerámia elektródák
között elektromos potenciálkülönbséget
hoznak létre egyenárammal. A potenciálkülönbség
mobilizálja a töltéssel rendelkező
ionokat. A fém-ionok, ammónium ionok és
más pozitív töltésű ionok
(pozitív töltésű szerves vegyületek)
a katód felé mozognak. Az anionok, mint
pl. a klorid, cianid, fluorid, nitrát és
egyéb negatív töltésű szerves
ionok az anód felé vándorolnak.
Az elektromos áram hatására az
anód körül savas tér, míg
a katód körül lúgos közeg
jön létre. Ez a savas közeg elősegíti
a fém ionok mobilizálását
és összegyűlését a katód
mentén, majd eltávolítását.
Két transzport mechanizmust különböztetünk
meg: az elektromigrációt és az
elektroozmózist. Az elektromigráció
során a töltéssel rendelkező részecskék
az oldaton keresztül vándorolnak. Ezzel
ellentétben az elektroozmózis a folyadék
mozgása, mely tartalmazza a töltéssel
rendelkező részecskéket. A meghatározó
folyamat az elektromigráció.
Az elektrokinetikus szeparáció során
vagy eltávolítjuk az elektródákon
felhalmozódott fém-ionokat, vagy a polaritás
változtatásával tulajdonképpen
megkötjük a szennyezést (a szennyezés
az anód és a katód között
mozog oda-vissza). |
Alkalmazási korlátok:
- a hatékonyság jelentősen lecsökken,
ha a szennyezett közeg nedvességtartalma
10% alatt van (a legnagyobb hatékonyság
14-18% nedvességtartalom között
érhető el);
- semleges elektródákat mint pl.
szén, grafit, platina kell használni,
hogy maradék szennyezés ne kerüljön
vissza a talajba. Fémes elektródák
oldódhatnak elektrolízis során;
- a módszer leghatásosabb agyagban,
vagy agyagos talajban, az agyagásványok
negatív felületi töltése
miatt;
- oxidáció/redukció következtében
nem kívánatos melléktermékek
is keletkezhetnek (pl. klórgáz)
- föld alatti fémtárgyak, szigetelőanyagok
a vízáteresztő képességet
erősen befolyásolják.
|
|
Melléktermék: |
folyadék |
|
Megbízhatóság/kezelhetőség: |
átlagos |
|
Mentesítés
időtartama: |
átlagos |
|
Átlagos költség:
Kritikus költségtényező |
átlagos
működtetés, karbantartás |
|
Hatásfok:
NHVOC:
HVOC:
NHSVOC:
HSVOC:
SZERVETLENEK:
ÜZEMANYAGOK:
ROBBANÓANYAGOK:
RADIOAKTÍV ANYAGOK: |
korlátozott hatásfok
korlátozott hatásfok
korlátozott hatásfok
korlátozott hatásfok
célcsoport
nem várható eredmény
nem várható eredmény
korlátozott hatásfok |
4.6 Az in-situ elektrokinetikus
szeparáció folyamata
4. 7 A pneumatikus
kőzetrepesztéses eljárás alacsony permeabilitású
üledékek fellazítására
4.7 Repesztéses fellazítás
|
Mentesített
közeg: |
talaj, üledék,
iszap |
|
Technológiai
csoport: |
in situ fizikai/kémiai |
|
Fejlesztési
állapot: |
üzemi |
Ismertetés:
|
Alacsony áteresztőképességű
vagy nagyon tömör rétegekben hatékony
módszer, amely segítségével
a kőzetben mesterséges repedéseket, járatokat
hoznak létre. Ez növeli számos in
situ mentesítési technológia hatásfokát,
valamint segíti a gázok kitermelését
is.
Elsődlegesen vízszintes járatok (hasadékok,
repedések) kialakítása a cél.
A talaj fellazítása (repedések
kialakítása) csak 'előkészítés',
a tényleges mentesítés csak ezt
követően pl. vákuum kutas talajpára
kitermeléssel történhet.
A járatok kialakítására
több módszer ismeretes:
a./ robbantásos repesztés: (elsősorban
erősen kötött kőzetekben) Fúrt lyukakban
elhelyezett robbanóanyag-töltet felrobbantásával
történik a járatok (repedések)
kialakítása, a kutak hozamának
növelése (vezetőképesség,
távolhatás nő);
b./ Lasagna eljárás: Ez egy integrált
in situ mentesítési technológia,
mely elektroozmózis és a repesztéses
fellazítás kombinált technológiája.
A repedések kialakítása hidraulikus
úton történik;
c./ pneumatikus repesztéses fellazítás:
A szennyezett telítetlen zónába
lyukakat fúrnak (kutak) és a furatok nyitva
maradnak. A furatot szakaszosan pakkerrel lezárják
és kb. 0.6 méteres szakaszokon keresztül
sűrített levegőt injektálnak a szennyezett
talajba. A lezárt szakaszokkal haladva a szennyezett
közeg egészébe levegőt préselnek,
mely létrehozza a járatokat. |
Alkalmazási korlátok:
- földrengésveszélyes területeken
nem alkalmazható;
- nem agyagos talajokban a repedések záródására
lehet számítani;
- a terület részletes feltárása
szükséges (közművek, stb.);
- elképzelhető, hogy az üregek elősegítik
egyes szennyezések nemkívánatos
mozgását is (pl. a nem víz
fázisú folyadékok mozgása
a vízadó alján).
|
|
Melléktermék: |
nincs |
|
Megbízhatóság/kezelhetőség: |
átlagos |
|
Mentesítés
időtartama: |
átlagos |
|
Átlagos költség:
Kritikus költségtényező |
átlagos
működtetés, karbantartás |
|
Hatásfok:
NHVOC:
HVOC:
NHSVOC:
HSVOC:
SZERVETLENEK:
ÜZEMANYAGOK:
ROBBANÓANYAGOK:
RADIOAKTÍV ANYAGOK: |
korlátozott hatásfok
korlátozott hatásfok
korlátozott hatásfok
korlátozott hatásfok
korlátozott hatásfok
korlátozott hatásfok
korlátozott hatásfok
nem várható eredmény |
4. 8 Talajmosatás
|
Mentesített
közeg: |
talaj, üledék,
iszap |
|
Technológiai
csoport: |
in situ fizikai/kémiai |
|
Fejlesztési
állapot: |
üzemi |
Ismertetés:
|
Vizet, vagy egyéb
adalékokat is tartalmazó vizes oldatot
juttatnak a szennyezett közegbe (talajba) a szennyezések
kioldásának fokozása érdekében.
Cél lehet a talajvíztükör megemelése
is olyan mértékben,hogy az a szennyezett
talajteret elérje, lehetővé téve
a szennyezések oldódását.
Ezt közvetően a szennyezett talajvíz kitermelése,
majd tisztítása következik.
A technológia szempontjából
kritikus a recirkuláció megoldása
(besajtolt folyadék kitermelése és
kezelés utáni visszajuttatása a
mosató rendszerbe). |
Alkalmazási korlátok:
- alacsony áteresztő képességű
vagy heterogén közeg mentesítése
nehézkes;
- a mosó folyadék és a talaj
kölcsönhatása következtében
a porozitás, ezáltal a szennyezés
mobilitása csökkenhet;
- csak abban az esetben használható,
ha a kimosott szennyezés és a mosó
folyadék kinyerése lehetséges;
- a mentesítés gazdaságosságát
erősen befolyásolja az, hogy a kitermelt
mosófolyadék milyen mértékű
kezelése szükséges.
|
|
Melléktermék: |
folyadék |
|
Megbízhatóság/kezelhetőség: |
átlagos |
|
Mentesítés
időtartama: |
rossz |
|
Átlagos költség:
Kritikus költségtényező |
rossz
működtetés, karbantartás |
|
Hatásfok:
NHVOC:
HVOC:
NHSVOC:
HSVOC:
SZERVETLENEK:
ÜZEMANYAGOK:
ROBBANÓANYAGOK:
RADIOAKTÍV ANYAGOK: |
célcsoport
célcsoport
korlátozott hatásfok
korlátozott hatásfok
célcsoport
korlátozott hatásfok
nem várható eredmény
nem várható eredmény |
4.8 In-situ talajmosatás
4.9 In-situ talajpára-kitermelés
és kezelés
4. 9 Átlevegőztetés
|
Mentesített
közeg: |
talaj, üledék,
iszap |
|
Technológiai
csoport: |
in situ fizikai/kémiai |
|
Fejlesztési
állapot: |
üzemi |
Ismertetés:
|
Kitermelő kutakat létesítenek,
amelyeket vákuum alá helyeznek. A vákuum
hatására kialakuló nyomás/koncentráció
gradiens eredményeként az illékony
gáz fázisú szennyezők eltávolíthatók.
Ez a technológia talajszellőztetés néven
is ismert.
A telítetlen zónában elhelyezett
vákuumkutakban kialakuló felfelé
irányuló légáramlás
elősegíti a szennyezett közeg illékony
komponenseinek távozását. Egyedi
értékelés alapján szükséges
lehet a kitermelt gáz tisztítása.
Elsősorban kis mélységű vákuumkutakat
alkalmaznak (kb. 1.5 m), de sor került már
91 m mély vákuumkutak alkalmazására
is. A helyi adottságokat kihasználva lehetséges
vízszintes vagy ferde szellőztető furatok kiképzése
is. A technológia hatásfokának
növelése érdekében gyakran
sor kerül a talajfelszín lezárására
is. A telítetlen zóna mélységének
növelése ill. a vákuum hatására
kialakuló talajvízszint emelkedés
megakadályozására talajvízszint
süllyesztő kutakat is szokás elhelyezni.
Légbefúvással növelhető a
technológia hatásfoka, a mélyen
elhelyezkedő szennyezések, alacsony áteresztőképességű
talajok, vagy a telített zónában
elhelyezkedő (vagy oda is benyúló) szennyezések
esetén. |
Alkalmazási korlátok:
- finom szemcséjű talajokban és
magas nedvességtartalom (telítetthez
közeli) esetén nagyobb vákuum
alkalmazása szükséges, mely a
költségeket növeli és gátolja
a módszer alkalmazhatóságát;
- erősen változó áteresztőképességű
és rétegzettségű talajokban
a hosszú szűrőzött szakaszok kívánatosak,
ennek hiányában sokszor egyenetlen
gázkitermelés alakul ki;
- magas szerves-anyag tartalmú talajok
nagy szorpciós képessége miatt
csökken a kitermelhető VOC szennyezők mennyisége;
- szükséges lehet a kitermelt gázok
tisztítása;
- a gázkezelés után a folyadék
elhelyezéséről, kezeléséről
gondoskodni kell;
- a használt szénszűrők regenerálása,
lerakása is feladat;
- telített zónában a rendszer
nem hatékony, bár talajvízszint
süllyesztéssel kiterjeszthető az alkalmazhatóság
(ezért meg kell fontolni a felúszó
szennyezésekkel való foglalkozást
is).
|
|
Melléktermék: |
folyadék |
|
Megbízhatóság/kezelhetőség: |
jó |
|
Mentesítés
időtartama: |
átlagos |
|
Átlagos költség:
Kritikus költségtényező |
jó
működtetés, karbantartás |
|
Hatásfok:
NHVOC:
HVOC:
NHSVOC:
HSVOC:
SZERVETLENEK:
ÜZEMANYAGOK:
ROBBANÓANYAGOK:
RADIOAKTÍV ANYAGOK: |
célcsoport
célcsoport
korlátozott hatásfok
korlátozott hatásfok
nem várható eredmény
célcsoport
nem várható eredmény
nem várható eredmény |
4. 10 Talajszilárdítás
|
Mentesített
közeg: |
talaj, üledék,
iszap |
|
Technológiai
csoport: |
in situ fizikai/kémiai |
|
Fejlesztési
állapot: |
üzemi |
Ismertetés:
|
A szennyezőket fizikailag
megkötik, szilárdítják vagy
kémiailag stabilizálják. Ez esetben
nem a szennyezés eltávolítása
a cél, hanem a szennyezés kockázatának
csökkentése. Általában szivárgási
teszttel ellenőrzik, hogy mennyire sikerült a szennyezés
megkötése. Ez a módszer alkalmazható
átmeneti, vagy végleges mentesítési
technológiaként is. A szennyezés
útjának elzárására
számos módszer ismeretes (vízszintes
és függőleges szigetelő falak, furatok injektálása
stb.).
In situ vitrifikáció is alkalmazható
a szennyezések megkötésére.
Elektromos áram hatására a szennyezett
talaj megolvad (1600–2000 o C) immobilizálva
a legtöbb szervetlen szennyezőt és pirolízis
útján átalakítva a szerves
szennyezőket. A víz, a vízpára
és egyéb égéstermékek
felfogásra kerülnek (fedett térben),
majd a felfogott gáz kezelése következik.
A vitrifikáció során keletkező
üvegszerű képződmény kémiailag
stabil, szivárgásbiztos (szennyezés
nem mosódik ki belőle). |
Alkalmazási korlátok:
- a szennyezés mélysége meghatározza
az alkalmazható technikát;
- a szilárdított közeg gátat
szab számos jövőbeli területhasználatnak;
- talajvízszint süllyesztésre
lehet szükség;
- a reprezentatív (bizonyító)
mintavételezés mint minden egyéb
in situ módszer esetében sokkal nehezebb
mint ex situ eljárás esetén;
- számos szennyezés esetén
nem minden lehetséges technika alkalmazható.
|
|
Melléktermék: |
szilárd |
|
Megbízhatóság/kezelhetőség: |
átlagos |
|
Mentesítés
időtartama: |
átlagos |
|
Átlagos költség:
Kritikus költségtényező |
átlagos |
|
Hatásfok:
NHVOC:
HVOC:
NHSVOC:
HSVOC:
SZERVETLENEK:
ÜZEMANYAGOK:
ROBBANÓANYAGOK:
RADIOAKTÍV ANYAGOK: |
célcsoport
célcsoport
célcsoport
célcsoport
célcsoport
nem várható eredmény
nem várható eredmény
célcsoport |
4.10 In-situ talajszilárdítás/stabilizáció
végrehajtása
4. 11 Hőmérséklet-növeléssel
segített talajpára-kitermelés
4.11 Hőmérséklet-növeléssel segített
talajpára-kitermelés
|
Mentesített
közeg: |
talaj, üledék,
iszap |
|
Technológiai
csoport: |
in situ termikus |
|
Fejlesztési
állapot: |
kísérleti |
Ismertetés:
|
A félig illékony
szennyezők eltávolításának
hatékonysága növelhető a hőmérséklet
emelésével. A hőmérséklet
növelésére általában
forró levegő vagy gőz befúvást,
elektromos fűtést, elektromágneses vagy
rádiófrekvenciás melegítést
alkalmaznak. Minden más tekintetben a technológia
megegyezik a talajgáz-kitermeléses mentesítési
eljárással.
Elektromos ellenállásos fűtés:
elektródák elhelyezésével
(gyakran 6 db elektródát helyeznek el)
a szennyezett talajtér fűthető. Az elektródákat
a viszonylag kis áteresztőképességű
talajokba helyezik, ezzel elősegítve a víz
és a szennyezőanyag elpárolgását,
s a kiszárított talajban repedések
képződését. Ezek után a
közeg légáteresztő képessége
megnő, lehetővé téve a talajgáz-kitermelés
hatékony alkalmazását.
Rádiófrekvenciás fűtés:
Ezzel a módszerrel akár 300 o C
fölé is melegíthetjük a talajt.
A két sorban elhelyezett földelő és
a közéjük helyezett centrális
elektródasorra adott elektromos mágneses
hullámok melegítik fel a körbezárt
talajt. Megnő a páranyomás, az áteresztőképesség,
nő a párolgóképesség, csökken
a viszkozitás, így a mobilitás.
A száradással az áramvezetés
is csökken. A gázok/gőzök kezelendők.
Forró levegőt vagy gőzt injektálunk
a szennyezett terület alá. A melegítés
elősegíti a szennyezőanyag kiszabadulását. |
Alkalmazási korlátok:
- kőtörmelék, vagy más felszín
alatti nagy kiterjedésű tárgy nehézségeket
okozhat;
- a maximális hőmérséklet
befolyásolja, hogy néhány komponens
milyen mértékben vonható ki;
- a hőlégbefúvás (forró
gáz) hatékonysága a levegő
alacsony hőkapacitása miatt korlátozott;
*lásd még a talajgáz-kitermelést!
|
|
Melléktermék: |
nincs |
|
Megbízhatóság/kezelhetőség: |
jó |
|
Mentesítés
időtartama: |
rossz |
|
Átlagos költség:
Kritikus költségtényező |
jó |
|
Hatásfok:
NHVOC:
HVOC:
NHSVOC:
HSVOC:
SZERVETLENEK:
ÜZEMANYAGOK:
ROBBANÓANYAGOK:
RADIOAKTÍV ANYAGOK: |
korlátozott hatásfok
korlátozott hatásfok
célcsoport
célcsoport
nem várható eredmény
célcsoport
nem várható eredmény
nem várható eredmény |
4. 12 Bioágyas remediáció
|
Mentesített
közeg: |
talaj, üledék,
iszap |
|
Technológiai
csoport: |
ex situ biológiai |
|
Fejlesztési
állapot: |
üzemi |
Ismertetés:
|
Az adalékokkal összekevert
szennyezett talajt a talajfelszínen szétterítik.
A terület megfelelően előkészített,
csurgalékvíz-gyűjtő rendszerrel és
valamilyen levegőztetési lehetőséggel
rendelkezik. Elsősorban a szénhidrogénnel
szennyezett talajok tisztítására
alkalmas. A biológiai lebontás fokozható
tápanyag, nedvesség tartalom, oxigén,
megfelelő hőmérséklet és pH beállításával.
A szennyezett talaj általában vízzáró
felületre kerül (alsó szigetelés),
hogy a szennyezés szivárgását
a mélyebb rétegek felé megakadályozzák.
A csurgalékvizet bioreaktorokban történő
kezelés után visszaforgatják. A
levegőztetést általában a szennyezett
réteg alatt elhelyezett levegőztető rendszer
biztosítja. A szennyezett depónia magassága
elérheti a 6 m-t is, de nem ajánlatos
2-3 m-nél magasabb depóniák kialakítása.
A depónia lefedésére (felső szigetelés)
is sor kerülhet a kipárolgás, a csapadék,
és a napsugárzás elleni védelem
miatt. |
Alkalmazási korlátok:
- a szennyezett talaj kitermelése szükséges;
- kísérletekkel kell megállapítani
az adott szennyezés biológiai lebonthatóságát,
az oxigén és tápanyagbevitel
mértékét;
- halogénezett komponensek esetében
a kezelés hatásfoka megkérdőjelezhető;
- a statikus kezelés kevésbé
egyenletes tisztításhoz vezet (a rendszeres
forgatáshoz viszonyítva).
|
|
Melléktermék: |
nincs |
|
Megbízhatóság/kezelhetőség: |
jó |
|
Mentesítés
időtartama: |
átlagos |
|
Átlagos költség:
Kritikus költségtényező |
jó |
|
Hatásfok:
NHVOC:
HVOC:
NHSVOC:
HSVOC:
SZERVETLENEK:
ÜZEMANYAGOK:
ROBBANÓANYAGOK:
RADIOAKTÍV ANYAGOK: |
célcsoport
célcsoport
csak a célcsoport egyes elemeire
csak a célcsoport egyes elemeire
csak a célcsoport egyes elemeire
célcsoport
célcsoport
nem várható eredmény |
4.12 ellenőrzött, szilárd
fázisú bioágyas talajkezelés
4. 13 Prizmás
komposztálásos eljárás
4.13 Komposztálás
|
Mentesített
közeg: |
talaj, üledék,
iszap |
|
Technológiai
csoport: |
ex situ biológiai |
|
Fejlesztési
állapot: |
üzemi |
Ismertetés:
|
A szennyezett talajt térfogatnövelő
és szerves anyagokkal (mint pl. fakéreg,
szén, szerves trágya és egyéb
zöld hulladékok) keverik. Megfelelő javító
adalékok kiválasztásával
olyan porozitás, szén- és nitrogén
tartalom állítható be, amely elősegíti
a hőtermeléssel járó mikrobiológia
lebontást.
Ellenőrzött biológia lebontás,
amely során a szerves szennyezők (pl. PAH) mikroorganizmusok
által veszélytelen alkotókra bomlanak
(alakulnak át). A megfelelő komposztálás
érdekében kb. 54-65 o C biztosítása
szükséges. A viszonylag magas hőmérsékletet
a szerves anyagok lebontása során termelt
hő biztosítja. Legtöbb esetben a természetesen
jelenlévő mikroorganizmus-állomány
elegendő (nem szükséges beoltás).
Kedvező hatásfok érhető el oxigénbevitellel,
megfelelő öntözéssel, a nedvességtartalom
és a hőmérséklet szabályozásával. |
Alkalmazási korlátok:
- jelentős területigény;
- a szennyezett talaj kitermelése szükséges,
amely során az illékony komponensek
ellenőrzés nélkül kerülhetnek
a légtérbe;
- a keletkező komposzt térfogata a segédanyagok
bevitele miatt jelentősen megnövekszik;
- nehézfémek nem kezelhetők ezzel
a technológiával. Magas nehézfém
koncentráció a mikroorganizmusok számára
toxikus is lehet.
|
|
Melléktermék: |
nincs |
|
Megbízhatóság/kezelhetőség: |
jó |
|
Mentesítés
időtartama: |
átlagos |
|
Átlagos költség:
Kritikus költségtényező |
jó |
|
Hatásfok:
NHVOC:
HVOC:
NHSVOC:
HSVOC:
SZERVETLENEK:
ÜZEMANYAGOK:
ROBBANÓANYAGOK:
RADIOAKTÍV ANYAGOK: |
célcsoport
célcsoport
csak a célcsoport egyes elemeire
csak a célcsoport egyes elemeire
csak a célcsoport egyes elemeire
célcsoport
célcsoport
nem várható eredmény |
4. 14 Gombák általi lebontás
|
Mentesített
közeg: |
talaj, üledék,
iszap |
|
Technológiai
csoport: |
ex situ biológiai |
|
Fejlesztési
állapot: |
kísérleti |
Ismertetés:
|
A gombák lignin lebontó
és farothasztó enzimjeik segítségével
képesek számos szerves szennyező lebontására.
A fehér rothasztó gombák általi
lebontást in situ körülmények
között és bioreaktorban is tesztelték.
A nyílt (ex situ) technológia hasonló
a komposztáláshoz: szigetelés+fakéreg+szennyezett
talaj, fedés. Az optimális hőmérséklet
30-38 o C. |
Alkalmazási korlátok:
|
- nem mindig csökken
a szennyezés mértéke a mentesítési
határérték alá;
- kémiai szorpció, toxicitás
gátló hatás, küzdelem a természetes
baktérium flórával. |
|
Melléktermék: |
nincs |
|
Megbízhatóság/kezelhetőség: |
rossz |
|
Mentesítés
időtartama: |
rossz |
|
Átlagos költség:
Kritikus költségtényező |
jó
működtetés, karbantartás |
|
Hatásfok:
NHVOC:
HVOC:
NHSVOC:
HSVOC:
SZERVETLENEK:
ÜZEMANYAGOK:
ROBBANÓANYAGOK:
RADIOAKTÍV ANYAGOK: |
csak a célcsoport egyes elemeire
csak a célcsoport egyes elemeire
csak a célcsoport egyes elemeire
csak a célcsoport egyes elemeire
nem várható eredmény
csak a célcsoport egyes elemeire
célcsoport
nem várható eredmény |
4.14 Biodegradációs eljárás
4.15 Ex-situ agrotechnikai
talajkezeléses eljárás
4. 15 Agrotechnikai talajkezelés
|
Mentesített
közeg: |
talaj, üledék,
iszap |
|
Technológiai
csoport: |
ex situ biológiai |
|
Fejlesztési
állapot: |
üzemi |
Ismertetés:
|
A szennyezett talajt szigetelt “ágyakra”
helyezik, levegőztetés céljából
időszakosan forgatják vagy szántják.
A szennyezett közeg jellemzőit gyakran ellenőrzik
ill. beállítják. Általában
az alábbi jellemzők beállítására
kerül sor:
- nedvességtartalom (öntözés);
- levegőztetés (szántás meghatározott
gyakorisággal);
- pH beállítás (mészkőzúzalék
v. mésziszap adagolása);
- egyéb adalékok alkalmazása
(tápanyag, lazító adalékok).
A depóniákban a szennyezett talaj vastagsága
0.45 m. A megfelelő tisztítás elérését
követően a tisztított talajt a depóniából
részben vagy egészben elszállítják.
Előnyös lehet csak a felső rész eltávolítása,
majd a depónia alsó tisztított
rétegeit újból összekeverik
szennyezett talajjal, így a tisztított
talajban bentmaradó aktív baktériumtenyészet
gyorsabb lebontást eredményez, mintegy
beoltva az új depóniát. |
Alkalmazási korlátok:
- nagy területigény;
- nehéz a folyamat szabályozása,
(hőmérséklet, eső stb.) és
ez megnövelheti a szükséges időt;
- a szervetlen szennyezők nem bomlanak le;
- illékony szennyezés miatti előkezelésre
lehet szükség;
- por elleni védekezés fontos, elsősorban
a forgatások során;
- csurgalékvíz elvezető rendszer
kiépítése és ellenőrzése
szükséges;
- a tervezésnél messzemenően figyelembe
kell venni a helyszíni adottságokat
(erózió, rétegződés,
áteresztőképesség stb.).
|
|
Melléktermék: |
nincs |
|
Megbízhatóság/kezelhetőség: |
jó |
|
Mentesítés
időtartama: |
rossz |
|
Átlagos költség:
Kritikus költségtényező |
jó |
|
Hatásfok:
NHVOC:
HVOC:
NHSVOC:
HSVOC:
SZERVETLENEK:
ÜZEMANYAGOK:
ROBBANÓANYAGOK:
RADIOAKTÍV ANYAGOK: |
célcsoport
célcsoport
csak a célcsoport egyes elemeire
csak a célcsoport egyes elemeire
csak a célcsoport egyes elemeire
célcsoport
csak a célcsoport egyes elemeire
nem várható eredmény |
4. 16 Iszapfázisú biológiai
kezelés
|
Mentesített
közeg: |
talaj, üledék,
iszap |
|
Technológiai
csoport: |
ex situ biológiai |
|
Fejlesztési
állapot: |
üzemi |
Ismertetés:
|
A szennyezett talajt bioreaktorban
vízzel, és egyéb adalékokkal
keverve vizes zagyot készítenek, folyamatosan
keverik, hogy a szilárd részeket lebegve
tartsák, másrészt, hogy a baktériumokkal
a minél intenzívebb kapcsolat legyen.
Megfelelő tisztítás elérése
után az iszapot víztelenítik, és
a kezelt talajt deponálják.
Első lépésben a szennyezett talajból
fizikailag eltávolítják a köveket
és a kőzúzalékot. Lehetséges
a szennyezett talaj előzetes vizes átmosása,
amely során a tiszta homok frakció már
lerakásra kerülhet és csak a szennyezést
felhalmozó finom szemcséjű anyag és
a mosóvíz kerül biológiai
tisztításra. Az iszap szárazanyag
tartalma jellemzően 10 és 30 súly% közötti.
A technológia gyakorlatilag azonos az eleveniszapos
biológiai szennyvíztisztítással. |
Alkalmazási korlátok:
- a szennyezett talaj kitermelése szükséges
(kivéve, ha medencét kezelnek);
- az iszap kezelés utáni víztelenítése
drága lehet;
- az előzetes rostálás (kövek,
kavicsok kiszedése), inhomogén talajok
kezelése drága, a szabad fázisú
szennyezést először el kell távolítani
;
- gondoskodni kell a mosóvíz kezeléséről,
elhelyezéséről
|
|
Melléktermék: |
nincs |
|
Megbízhatóság/kezelhetőség: |
átlagos |
|
Mentesítés
időtartama: |
átlagos |
|
Átlagos költség:
Kritikus költségtényező |
átlagos |
|
Hatásfok:
NHVOC:
HVOC:
NHSVOC:
HSVOC:
SZERVETLENEK:
ÜZEMANYAGOK:
ROBBANÓANYAGOK:
RADIOAKTÍV ANYAGOK: |
célcsoport
célcsoport
csak a célcsoport egyes elemeire
csak a célcsoport egyes elemeire
csak a célcsoport egyes elemeire
célcsoport
célcsoport
nem várható eredmény |
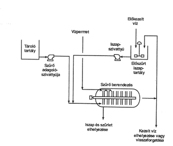
4.16 Iszapfázisú
biológiai kezelés bioreaktorban
4. 17 Kémiai
extrakciós eljárás vázlata
4.17 Kémiai kivonás
|
Mentesített
közeg: |
talaj, üledék,
iszap |
|
Technológiai
csoport: |
ex situ fizikai/kémiai |
|
Fejlesztési
állapot: |
üzemi |
Ismertetés:
|
A szennyezett közeget
oldószerrel keverik. Az oldószer a szennyezőket
kioldja, majd a szennyezett oldatot (oldószer+szennyezőanyag)
szétválasztják. Az oldószer
újból hasznosítható, a kivont
szennyezés pedig kezelendő vagy megfelelő elhelyezéséről
gondoskodni kell. A kémiai kivonás során
a szennyezés ugyan megmarad (csupán a
talajból az oldatba megy át), de a szennyezett
térfogat lényegesen kisebb lesz, így
kisebb mennyiség tisztításáról
kell gondoskodni. Gyakran a szennyezett közeg előzetes
osztályozására is sor kerül,
amikor a finom és a durva részeket fizikailag
szétválasztják. Ez esetben azt
feltételezzük, hogy a szennyezés
nagy része a finom frakcióhoz kötődik.
Savas kivonás: a durvább részek
eltávolítása után a nehézfémek
kivonására sósav használható.
A reakció időtartama általában
10 és 40 perc között változik.
A kivont oldatot folyamatosan vezetik el, majd hidrociklonban
választják szét a savat és
a talajt. A kivonás végeztével
a közeg átmosásra kerül. A kivonó
oldat és a mosóvíz regenerálásra
kerül. A talajt víztelenítik, majd
mésszel és fertőtlenítővel keverik.
Oldószeres kivonás: gyakran alkalmazott
kivonási módszer, amikor szerves oldószereket
használnak. Általában a helyi adottságoktól
függően más mentesítési technológiával
együttesen alkalmazzák (pl. szilárdítás,
stabilizálás, égetés, talajmosás).
A szervesen kötött fémek és
szerves szennyezők együttes kivonása lehetséges.
A kivonó oldószer kis mennyiségben
a talajban maradhat, ezért az oldószer
toxicitása nagyon fontos szempont. A kezelt talajt
általában visszaszállítják
eredeti helyére. |
Alkalmazási korlátok:
- a magas agyag- és nedvesség tartalom
csökkenti a hatásfokot, növeli
a kezelés idejét;
- a szerves szennyezők és a szervesen kötött
fémek együttesen vonhatók ki,
ami a kivonási maradék speciális
kezelését teheti szükségessé;
- detergensek és emulgálószerek
rontják a kivonás hatásfokát;
- az oldószeres kivonás kevésbé
hatékony nagy molekulatömegű szerves
szennyezők, és erősen hidrofil anyagok esetében;
- magas beruházási költség;
- a nehézfémekre vonatkozó
szigorú előírások (USA, WET
test) betartása nagyon gazdaságtalan
lehet;
- oldószer maradhat a talajban, amely közömbösítendő.
|
|
Melléktermék: |
folyadék |
|
Megbízhatóság/kezelhetőség: |
átlagos |
|
Mentesítés
időtartama: |
rossz |
|
Átlagos költség:
Kritikus költségtényező |
rossz |
|
Hatásfok:
NHVOC:
HVOC:
NHSVOC:
HSVOC:
SZERVETLENEK:
ÜZEMANYAGOK:
ROBBANÓANYAGOK:
RADIOAKTÍV ANYAGOK: |
korlátozott hatásfok vagy nem célcsoport
korlátozott hatásfok vagy nem célcsoport
célcsoport
célcsoport
célcsoport
korlátozott hatásfok vagy nem célcsoport
célcsoport
korlátozott hatásfok vagy nem célcsoport |
4. 18 Kémiai oxidáció-redukció
|
Mentesített
közeg: |
talaj, üledék,
iszap |
|
Technológiai
csoport: |
ex situ fizikai/kémiai |
|
Fejlesztési
állapot: |
üzemi |
Ismertetés:
|
A kémiai oxidáció/redukció
által a szennyezőanyagok részben, vagy
egészben közömbösülnek, mobilitásuk
csökken, vagy megszűnik. A gyakrabban alkalmazott
oxidálószerek az ózon, a hidrogén-peroxid,
hipoklorit, vagy klór-dioxid. A kémiai
oxidáció/redukció nagyon jól
ismert és alkalmazott technológia az ivóvíz-
és szennyvíztisztításban,
valamint bevált technológia a cianiddal
szennyezett hulladékok mentesítésére. |
Alkalmazási korlátok:
- részleges oxidáció esetén
átmeneti vegyületek képződhetnek;
- nagy szennyezés koncentrációk
esetén nem gazdaságos módszer,
mert sok oxidálószerre van szükség;
- a megfelelő hatásfok elérése
érdekében az olaj- és zsírtartalom
minimálisra csökkentendő.
|
|
Melléktermék: |
szilárd |
|
Megbízhatóság/kezelhetőség: |
jó |
|
Mentesítés
időtartama: |
jó |
|
Átlagos költség:
Kritikus költségtényező |
átlagos |
|
Hatásfok:
NHVOC:
HVOC:
NHSVOC:
HSVOC:
SZERVETLENEK:
ÜZEMANYAGOK:
ROBBANÓANYAGOK:
RADIOAKTÍV ANYAGOK: |
korlátozott hatásfok
korlátozott hatásfok
korlátozott hatásfok
korlátozott hatásfok
célcsoport
korlátozott hatásfok
nem várható eredmény
nem várható eredmény |
4.18 Kémiai redukciós/oxidációs
eljárás folyamata
4.19 Glikolos dehalogenizációs
eljárás folyamata
4. 19 Dehalogenizáció
|
Mentesített
közeg: |
talaj, üledék,
iszap |
|
Technológiai
csoport: |
ex situ fizikai/kémiai |
|
Fejlesztési
állapot: |
üzemi |
Ismertetés:
|
A szennyezett talajt szitálás,
majd őrlés után keverik össze a dehalogenizáló
vegyszerrel (fűtött tartályban, reaktorban).
Lúgos katalízises lebontás (BCD
módszer): klórozott szerves anyagokkal
szennyezett talajok mentesítése, elsősorban
a PCB, dioxin és a furán. A szitált,
őrölt közeget nátrium-bikarbonáttal
keverik össze. A keveréket ezt követően
330 o C-ra melegítik fel, hogy részlegesen
lebomoljanak a szennyezők és kipárologjanak
az illékony komponensek. Az illékony gázok
kezeléséről különkell gondoskodni.
Glikolos dehalogenizáció: vegyszerként
alkáli polietilén-glikol származékot
alkalmaznak. Leggyakrabban a kálium-polietilén-glikolt
használják. A reakció során
a polietilén-glikol épül be a halogén
atom helyére, amely kevésbé veszélyes/toxikus
vegyületet képez. Az alkáli polietilén-glikolból
glikol-éter és/vagy hydroxált komponens
valamint alkáli fémsó keletkezik
(vízben oldódó melléktermék).
A dehalogenizáció általában
önálló technológiaként
van számon tartva, de más technológiákkal
kombinálva is alkalmazható. A folyamat
során keletkező szennyvíz kezeléséről
gondoskodni kell (kémiai oxidáció,
biodegradáció, aktív-szén
szűrés, vagy kicsapatás). |
Alkalmazási korlátok:
- magas agyag és nedvességtartalom
növeli a költségeket;
- a glikolos dehalogenizáció nagy
térfogatok esetén drága;
- 5% klórozott szervesanyag-tartalom felett
nagy mennyiségű vegyszerre van szükség;
- BCD módszer esetén a melléktermékek
felfogása és kezelése nehézkes,
különösképpen magas finom
rész és nedvességtartalom esetén.
|
|
Melléktermék: |
pára |
|
Megbízhatóság/kezelhetőség: |
rossz |
|
Mentesítés
időtartama: |
rossz |
|
Átlagos költség:
Kritikus költségtényező |
rossz |
|
Hatásfok:
NHVOC:
HVOC:
NHSVOC:
HSVOC:
SZERVETLENEK:
ÜZEMANYAGOK:
ROBBANÓANYAGOK:
RADIOAKTÍV ANYAGOK: |
korlátozott hatásfok
korlátozott hatásfok
korlátozott hatásfok
korlátozott hatásfok
nem várható eredmény
nem várható eredmény
nem várható eredmény
nem várható eredmény |
4. 20 Szétválasztás
|
Mentesített
közeg: |
talaj, üledék,
iszap |
|
Technológiai
csoport: |
ex situ fizikai/kémiai |
|
Fejlesztési
állapot: |
üzemi |
Ismertetés:
- a magas agyag- és nedvességtartalom
növeli a költségeket;
- speciális beavatkozásokra lehet
szükség a rothadó szerves iszap
miatti szaghatások ki-küszöbölésére;
- alkalmazás előtt elővizsgálatok
(sűrűség, fajsúly, viszkozitás)
végzése szükséges.
|
Alkalmazási korlátok:
- a magas agyag- és nedvességtartalom
növeli a költségeket;
- speciális beavatkozásokra lehet
szükség a rothadó szerves iszap
miatti szaghatások kiküszöbölésére;
- alkalmazás előtt elővizsgálatok
(sűrűség, fajsúly, viszkozitás)
végzése szükséges.
|
|
Melléktermék: |
szilárd |
|
Megbízhatóság/kezelhetőség: |
átlagos |
|
Mentesítés
időtartama: |
jó |
|
Átlagos költség:
Kritikus költségtényező |
átlagos
működtetés, karbantartás |
|
Hatásfok:
NHVOC:
HVOC:
NHSVOC:
HSVOC:
SZERVETLENEK:
ÜZEMANYAGOK:
ROBBANÓANYAGOK:
RADIOAKTÍV ANYAGOK: |
korlátozott hatásfok
korlátozott hatásfok
korlátozott hatásfok
korlátozott hatásfok
célcsoport
célcsoport
nem várható eredmény
nem várható eredmény |
4.20 Ülepítéses
(gravitációs) szétválasztás
4.21 A talajmosatásos
eljárás folyamata
4. 21 Talajmosatás
|
Mentesített
közeg: |
talaj, üledék,
iszap |
|
Technológiai
csoport: |
ex situ fizikai/kémiai |
|
Fejlesztési
állapot: |
üzemi |
Ismertetés:
|
A talaj finom frakciójához
kötött szennyezőket mosás segítségével
elválasztják a talaj többi részétől.
A mosóvíz nehézfémek és
a szerves szennyezők hatékonyabb eltávolítása
érdekében tartalmazhat mosó vegyszert,
pH beállítót, kelátképző
adalékot.
A szennyezés eltávolítása
kétfélképpen történik:
- a mosófolyadék kioldja vagy szuszpendálja
a szennyezést;
- méret, fajsúlykülönbség
alapján a finom részek leválasztásával
a (gravitációs szétválasztáshoz
hasonlóan) a szennyezést kisebb térfogatba
koncentrálják.
A talajmosás nagyon ígéretes
mentesítési technológia, elsősorban
nehézfémek, radioaktív anyagok
és szerves szennyezők eltávolítására.
Ennek ellenére ipari alkalmazása nem igazán
terjedt el.
Mint számos más technológia
esetében e módszer is azt használja
ki, hogy a szennyezők döntő többsége
a finom szemcsékhez (agyag, iszap, szerves részek)
kötődik fizikailag vagy kémiailag. Ezek
a finom részek tapadnak fizikailag a durvább
részekhez (homok, kavics) adhézió
vagy tömörödés révén.
A mosási folyamat során, amikor a finom
részeket leválasztjuk a durvább
szemcsék felületéről a szennyezőket
is leválasztjuk és kisebb térfogatban
koncentráljuk. Természetesen az így
leválasztott és erősen szennyezett finom
részek tisztításáról,
elhelyezéséről gondoskodni kell. Gravitációs
szétválasztás hatékony kis
vagy nagy fajsúlyú részek kiválasztására
(nehézfémek, rádiumoxid stb.).
Koptatásos ledörzsölés segítségével
a durva részekhez tapadt film távolítható
el. A tiszta, csak durvább részeket tartalmazó
talaj visszaszállítható a kitermelés
helyére.
Amennyiben nagyon változatos a szennyezés
összetétele, akkor nehéz olyan mosóoldatot
készíteni, amely minden szennyező eltávolítására
(kioldására) hatékony. Ilyenkor
a mosás több lépésben, más-más
mosóoldattal is lehetséges.
A talajmosás során a szennyezést
nem távolítjuk el, csupán más
hordozóközegbe (vizes oldat) visszük
át, amelyet az eljárás során
kezelni kell. |
Alkalmazási korlátok:
|
- komplex szennyezés
esetén a mosó folyadék optimális
kiválasztása nehéz;
- magas humusztartalom esetén előzetes kezelésre
lehet szükség;
- az agyagszemcsékhez kötött szerves
szennyezők eltávolítása nehézkes
lehet;
- mosóoldat ill. a kezelt talajban maradó
mosóoldat további kezelést igényelhet. |
|
Melléktermék: |
folyadék+szilárd |
|
Megbízhatóság/kezelhetőség: |
átlagos |
|
Mentesítés
időtartama: |
jó |
|
Átlagos költség:
Kritikus költségtényező |
átlagos |
|
Hatásfok:
NHVOC:
HVOC:
NHSVOC:
HSVOC:
SZERVETLENEK:
ÜZEMANYAGOK:
ROBBANÓANYAGOK:
RADIOAKTÍV ANYAGOK: |
korlátozott hatásfok
korlátozott hatásfok
célcsoport
célcsoport
célcsoport
célcsoport
célcsoport
nem várható eredmény |
4. 22 Átlevegőztetés
|
Mentesített
közeg: |
talaj, üledék,
iszap |
|
Technológiai
csoport: |
ex situ fizikai/kémiai |
|
Fejlesztési
állapot: |
üzemi |
Ismertetés:
|
A kitermelt talajt a felszínen
elhelyezett perforált csőrendszer fölé
deponálják. A csövekben létrehozott
vákuum elősegíti az illékony komponensek
távozását. Egyebekben a technológia
azonos az in situ talajgáz kitermeléssel.
A talajdepónia rendszerint lefedésre
kerül egyrészt a csapadék miatt,
másrészt a kipárolgó gázok
felfogása érdekében. Az eltávozó
gázok kezeléséről gondoskodni kell.
Az in situ technológiával szemben az ex
situ módszer előnye, hogy a kitermelés
során fellazul a talaj és ezáltal
a gázok elvezetésére alkalmas üregek,
járatok alakulnak ki. További előny, hogy
a magas talajvízszint nem jelent akadályt,
a csurgalékvíz összegyűjtése
egyszerűen megoldható, valamint a rendszer sokkal
könnyebben ellenőrizhető. |
Alkalmazási korlátok:
- a talaj kitermelése során az illékony
szennyezők egy része kipárolog;
- magas nedvesség vagy humusztartalom ill.
erősen tömörödött talaj meggátolja
a kipárolgást;
- nagy területre van szükség;
- a gázok kezelésén túl
a keletkező maradék folyadék és
a használt aktív szén is kezelendő
növelve a mentesítés költségét.
|
|
Melléktermék: |
folyadék |
|
Megbízhatóság/kezelhetőség: |
jó |
|
Mentesítés
időtartama: |
átlagos |
|
Átlagos költség:
Kritikus költségtényező |
jó |
|
Hatásfok:
NHVOC:
HVOC:
NHSVOC:
HSVOC:
SZERVETLENEK:
ÜZEMANYAGOK:
ROBBANÓANYAGOK:
RADIOAKTÍV ANYAGOK: |
célcsoport
célcsoport
korlátozott hatásfok
korlátozott hatásfok
nem várható eredmény
korlátozott hatásfok
nem várható eredmény
nem várható eredmény |
4.22 Talajgáz kitermeléses
(ex-situ) eljárás drénezett depóniából
4.23 Detoxikálás
napfény segítségével
4. 23 Detoxikálás napfénnyel
|
Mentesített
közeg: |
talaj, üledék,
iszap |
|
Technológiai
csoport: |
ex situ fizikai/kémiai |
|
Fejlesztési
állapot: |
kísérleti |
Ismertetés:
|
A napfény UV energiájának
segítségével a szennyezők lebomlanak/átalakulnak.
A szennyezett gázok vákuumkutas kitermelése
és a pára kicsapatása után
a gázokat félvezető katalizátorokat
tartalmazó tartályokba vezetik. A tartályokban
napfény hatására a katalizátor
aktiválódik, melynek következtében
megtörténik a gázok lebontása
és átalakulása. A folyamat végterméke
általában széndioxid és
víz. A technológia előnye a zártság,
továbbá az, hogy nincs légköri
emisszió. |
Alkalmazási korlátok:
- a technológia csak nappal normál
napsugárzás intenzitás mellett
hatékony;
- biológiai okból, a szuszpendált
szilárd részek, vagy vas csapadék
kiválása miatt a rendszer hatásfoka
romolhat.
|
|
Melléktermék: |
nincs |
|
Megbízhatóság/kezelhetőség: |
átlagos |
|
Mentesítés
időtartama: |
átlagos |
|
Átlagos költség:
Kritikus költségtényező |
jó
beruházás |
|
Hatásfok:
NHVOC:
HVOC:
NHSVOC:
HSVOC:
SZERVETLENEK:
ÜZEMANYAGOK:
ROBBANÓANYAGOK:
RADIOAKTÍV ANYAGOK: |
célcsoport
célcsoport
célcsoport
célcsoport
nem várható eredmény
célcsoport
célcsoport
nem várható eredmény |
4. 24 Talajszilárdítás,
stabilizálás
|
Mentesített
közeg: |
talaj, üledék,
iszap |
|
Technológiai
csoport: |
ex situ fizikai/kémiai |
|
Fejlesztési
állapot: |
üzemi |
Ismertetés:
|
Az in-situ módszerrel szemben
itt a keletkező anyagot el kell helyezni.
Nagyon sok új módszer ismeretes a szennyezések
megkötésére. Ezek a következők:
Bitumenes szilárdítás:a szennyezett
talajt általában zagyszerű állapotban
olvasztott bitumennel keverik. A bitumen kihűlése
után a szennyezés a keverékben
marad. A víz nagy része a keverékből
eltávozik (0.5% víztartalom marad).
Aszfalt emulzió: aszfaltot emulgálószer
segítségével vízben diszpergálnak.
Az aszfalt emulziót hidrofil folyadékkal
és/vagy csak szennyezett zaggyal keverik össze
természetes hőmérsékleten. Keverés
után az emulzió felbomlik, a hulladékból
a víz kiválik és a szerves szennyezők
a hidrofób aszfalttal együtt homogén
mátrixként a szilárd részeket
körülveszik. Megfelelő ülepedési
és érési idő után a szilárd
aszfalt a hulladékban egyenletesen eloszolva
vízzáró masszát képez.
Módosított kén cement: ez a
kereskedelemben kapható anyag 127-149° C-on
megolvad. Ezen a hőmérsékleten a hulladékkal
összekeverik, majd megfelelő tartályokba
töltve lehűtik, tárolják és
lerakják. A viszonylag alacsony kezelési
hőmérséklet miatt a kén-dioxid
és a kén-hidrogén gáz emisszió
korlátozott.
Extrudálás polietilénnel: a
polietilén kötőanyagot száraz hulladékkal
keverik egy fűtött, zárt tartályban.
A meleg keverék egy nyíláson jut
az öntőformába, ahol kihűl és ezáltal
megszilárdul. Az eljárást nitrát
sóval szennyezett hulladékok esetén
üzemi körülmények között
tesztelték, míg kísérletként
számos más szennyezésre is vizsgálták.
Portland cement: a szennyezett talajjal keverik össze
a cementet, majd vizet hozzáadva kötés
után egy betonszerű szilárd, jól
kezelhető anyag keletkezik. Elsősorban szervetlen szennyezések
esetén alkalmazható.
Radioaktív hulladék szilárdítása:
szilárdító anyagok felhasználásával
szilárd, egyenletes, stabil masszát képeznek.
Iszap stabilizáció: az iszaphoz salakot
vagy egyéb szilárdító anyagot
kevernek. Ennek hatására az iszapban található
szennyezők stabilabb, formába alakulnak át.
Kioldódó nehézfémeket v.
más anyagokat tartalmazó iszapokat gyakran
stabilizálnak e módszerrel.
Oldható foszfát: foszfát és
egyéb alkáli vegyületek adagolásával
egyrészt a pH beállítása
lehetséges, másrészt olyan nehezen
oldható komplex fém molekulák keletkeznek,
amelyek a fémeket széles pH tartományban
immobilizálják. Más stabilizálási
eljárásokkal szemben itt nem megsziládult
massza keletkezik. Oldható foszfát és
mész segítségével immobilizálható
a szálló pernyében jelenlévő
ólom és kadmium.
Vitrifikáció: lásd az in situ
technológia leírásánál. |
Alkalmazási korlátok:
- a környezeti hatások befolyásolhatják
a hosszú távú immobilitást;
- néhány eljárás lényegesen
megnöveli a térfogatot (akár
az eredeti térfogat kétszeresére);
- bizonyos szennyezők esetén nem alkalmazható
mindegyik eljárás;
- a szerves anyagok általában nem
immobilizálódnak;
- a hosszú távú hatékonyság
még sok esetben nem bizonyított.
|
|
Melléktermék: |
szilárd |
|
Megbízhatóság/kezelhetőség: |
jó |
|
Mentesítés
időtartama: |
jó |
|
Átlagos költség:
Kritikus költségtényező |
átlagos
beruházás |
|
Hatásfok:
NHVOC:
HVOC:
NHSVOC:
HSVOC:
SZERVETLENEK:
ÜZEMANYAGOK:
ROBBANÓANYAGOK:
RADIOAKTÍV ANYAGOK: |
nem várható eredmény
nem várható eredmény
korlátozott hatásfok
korlátozott hatásfok
célcsoport
nem várható eredmény
nem várható eredmény
célcsoport |
4.24 Az ex-situ szilárdítás/stabilizációs
eljárás folyamata
4. 25 Forrógázos tisztítás
|
Mentesített
közeg: |
talaj, üledék,
iszap |
|
Technológiai
csoport: |
ex situ termikus |
|
Fejlesztési
állapot: |
kísérleti |
Ismertetés:
|
A szennyezett talajt kb.
260 o C-ra melegítik. A keletkező gázok
utóégetőre kerülnek, ahol az illékony
szennyezők elégnek. Az eljárás
után a keletkező, már nem veszélyes
hulladék lerakható vagy újrahasználható. |
Alkalmazási korlátok:
|
- drágább mint a nyílt
terű égetés;
- lassabb, mint az égetés nyílt
térben. |
|
Melléktermék: |
nincs |
|
Megbízhatóság/kezelhetőség: |
jó |
|
Mentesítés
időtartama: |
jó |
|
Átlagos költség:
Kritikus költségtényező |
jó |
|
Hatásfok:
NHVOC:
HVOC:
NHSVOC:
HSVOC:
SZERVETLENEK:
ÜZEMANYAGOK:
ROBBANÓANYAGOK:
RADIOAKTÍV ANYAGOK: |
nem várható eredmény
nem várható eredmény
nem várható eredmény
nem várható eredmény
nem várható eredmény
nem várható eredmény
célcsoport
nem várható eredmény |
4.25 A forrógázos
tisztítás elvi folyamata
4. 26 Égetés
|
Mentesített
közeg: |
talaj, üledék,
iszap |
|
Technológiai
csoport: |
ex situ termikus |
|
Fejlesztési
állapot: |
üzemi |
Ismertetés:
|
Magas hőmérsékleten,
870-1200 o C-on égetik el (oxigén
jelenlétében) a halogénezett és
egyéb nehezen kezelhető, veszélyes szerves
szennyezőket. A megfelelő égés gyakran
csak kiegészítő fűtőanyaggal biztosítható.
Az eltávolítás hatásfoka
megfelelően működtetett égetőben meghaladja
a 99,99%-ot, (előírás veszélyes
hulladék esetében, USA), a PCB-kre és
a dioxinra a 99,9999%-os hatásfok is elérhető.
A távozó gázok és a salak
kezelése szükséges. |
Alkalmazási korlátok:
- szükséges lehet a hamuban felhalmozódó
nehézfémek stabilizálása;
- a betápláló ágban
a fémek reakcióba léphetnek
egyéb elemekkel, (mint pl. klór, kén)
illékonyabb és toxikusabb vegyületeket
alkotnak a kiindulási állapotnál;
- a nátrium és a kálium alacsony
olvadáspontú hamut képezhet,
mely megtámadhatja a tégla szigetelést,
bűzös réteget képezve a kürtőben;
- a hulladék méretére és
anyagkezelésre vonatkozó speciális
igények az alkalmazhatóságot
adott helyen erősen befolyásolhatják;
- az illékony nehézfémek
miatt füstgáztisztítás
szükséges.
|
|
Melléktermék: |
szilárd+pára |
|
Megbízhatóság/kezelhetőség: |
átlagos |
|
Mentesítés
időtartama: |
jó |
|
Átlagos költség:
Kritikus költségtényező |
rossz |
|
Hatásfok:
NHVOC:
HVOC:
NHSVOC:
HSVOC:
SZERVETLENEK:
ÜZEMANYAGOK:
ROBBANÓANYAGOK:
RADIOAKTÍV ANYAGOK: |
célcsoport
célcsoport
célcsoport
célcsoport
nem várható eredmény
célcsoport
célcsoport
nem várható eredmény |
4.26 A mobil égetéses
eljárás folyamata
4. 27 Égetés nyílt térben,
robbantás
|
Mentesített
közeg: |
talaj, üledék,
iszap |
|
Technológiai
csoport: |
ex situ termikus |
|
Fejlesztési
állapot: |
üzemi |
Ismertetés:
|
Nyílt térbeni
égetés vagy robbantás során
a fel nem használt és rendeltetésszerűen
már nem használható égő
és robbanóanyagok megsemmisítése
történik. Az égési folyamat
(az égetett anyag jellemzői miatt) önfenntartó,
csupán a beindításhoz (begyújtáshoz)
vanszükség külső hőforrásra.
Robbantás esetén a robbanási folyamatok
elindításához ugyancsak külső
beavatkozásra, detonátorra van szükség.
Régebben az égetés/robbantás
a talajfelszínen vagy gödrökben történt.
Napjainkban a folyamat ellenőrzése és
a távozó gázok könnyebb ellenőrizhetősége
érdekében égető, vagy robbantó
konténereket alkalmaznak. Az égetés
körülményeit úgy kell megteremteni,
hogy az égési folyamat bármikor
szabályozható, szükség esetén
leállítható legyen (véletlen
és nem kívánatos robbanások,
robbanás-sorozatok esetén). |
Alkalmazási korlátok:
- a biztonsági védőtávolságok
betartása miatt nagy a területigény;
- az égetés vagy robbantás
emissziójának kontrollja és
a gázok kezelése nagyon nehéz;
- erős szélben a környező területek
nemkívánatos szennyezése és/vagy
meggyújtása következhet be;
- viharban (por, hó, elektromos) soha nem
használható;
- számos korlátozás van életben
a technológiával szemben (USA) és
elképzelhető hogy a technológia alkalmazása
a jövőben nem is lesz lehetséges (USA).
|
|
Melléktermék: |
szilárd |
|
Megbízhatóság/kezelhetőség: |
jó |
|
Mentesítés
időtartama: |
jó |
|
Átlagos költség:
Kritikus költségtényező |
jó |
|
Hatásfok:
NHVOC:
HVOC:
NHSVOC:
HSVOC:
SZERVETLENEK:
ÜZEMANYAGOK:
ROBBANÓANYAGOK:
RADIOAKTÍV ANYAGOK: |
nem várható eredmény
nem várható eredmény
nem várható eredmény
nem várható eredmény
nem várható eredmény
nem várható eredmény
célcsoport
nem várható eredmény |
4. 28 Pirolízis
|
Mentesített
közeg: |
talaj, üledék,
iszap |
|
Technológiai
csoport: |
ex situ termikus |
|
Fejlesztési
állapot: |
üzemi |
Ismertetés:
|
A pirolízis oxigén
nélkül a szerves anyagokban hő hatására
létrejövő kémiai lebomlás/átalakulás.
A szerves anyagok különböző gázokra
és szilárd anyagokra (pl. koksz,) bomlanak.
Bár a pirolízis lényege az oxigén
kizárása, a gyakorlatban teljesen oxigénmentes
környezet biztosítása nem lehetséges.
A működő pirolízis rendszerekben valamennyi
oxigén mindig jelen van. Ezen kevés oxigén
bizonyos mértékű oxidációt
is eredményez. Illékony komponensek esetében
termikus deszorpció is lejátszódik.
A pirolízis során keletkező gázok
éghetőek, mint pl. a szénmonoxid, hidrogén,
metán, és egyéb szénhidrogének.
A füstgázok hűtésekor távozó
gázok kondenzációja során
keletkező folyadékok: olaj kátrány
maradék és szennyezett víz. A pirolízis
általában nyomás alatt, 430 o C
feletti hőmérsékleten zajlik le. A keletkező
gázok további kezelést igényelnek,
pl. másodlagos égető kemence, részleges
kondenzáció. Részecskék
eltávolítására alkalmas
berendezésekre, mint pl. szűrőkre, vagy nedves
kotrókra ugyancsak szükség van. A
hagyományos termikus mentesítési
módszer berendezései, mint pl. forgó
kemence, használatosak a pirolízis során. |
Alkalmazási korlátok:
- speciális anyagkezelési és
adagoló méreti előírások
befolyásolhatják az alkalmazhatóságot
és a költségeket is;
- a szennyezett közeg szárítása
szükséges, 1% alatti nedvességtartalom
kívánatos;
- magas nedvességtartalom növeli a
mentesítés költségét;
- a kezelt anyag nehézfém tartalma
miatt stabilizálásra is szükség
lehet.
|
|
Melléktermék: |
folyadék+szilárd |
|
Megbízhatóság/kezelhetőség: |
nincs elegendő információ |
|
Mentesítés
időtartama: |
jó |
|
Átlagos költség:
Kritikus költségtényező |
rossz |
|
Hatásfok:
NHVOC:
HVOC:
NHSVOC:
HSVOC:
SZERVETLENEK:
ÜZEMANYAGOK:
ROBBANÓANYAGOK:
RADIOAKTÍV ANYAGOK: |
korlátozott hatásfok
korlátozott hatásfok
célcsoport
célcsoport
nem várható eredmény
korlátozott hatásfok
nincs elegendő információ
nem várható eredmény |
4.28 A pirolizis elvi folyamata
4. 29 Termikus deszorpció
|
Mentesített
közeg: |
talaj, üledék,
iszap |
|
Technológiai
csoport: |
ex situ termikus |
|
Fejlesztési
állapot: |
üzemi |
Ismertetés:
- A Termikus Deszorpciós Technológia
“TDT” eljárás és berendezés
változó toxikus összetételű
és koncentrációjú szennyezett
talaj (illetve szilárd és iszapjellegű
közeg) reduktív közegben történő
hőbontására alkalmas.
- A TDT eljárás célja a toxikus
illó anyagok (illó szerves alkotók,
illó nehézfémek (Hg) halogének
stb., és a szilárd fázis külön
áramba vezetése, ahol a reduktív
közegben szétválasztják
és kezelik az illó- és szilárd
anyagokat. A vákuum alatt történő
gázosítás során a nehéz
frakciójú szerves komponensek lebomlanak
és az illó szerves, halogén
illetve a nehézfém komponensek külön
áramba kerülnek. A reduktív hőkezeléssel
megszűnik a dioxin és furán gázok
keletkezésének és újrakeletkezésének
lehetősége, valamint a nehézfémek
gázáramban történő toxikus
kémiai reakciójának lehetősége
is.
- A TDT berendezés külső fűtésű
forgókemence száraz lepárlásos
alapon működő ártalmatlanító
berendezés, melynek feladata, hogy az adagolt
< 25 mm szemcseméretű talajt levegő kizárásával
reduktív közegben vákuum alatt
(elszívás 20-30 Pa.), alacsony hőmérsékleten
(kb. 320–600 °C hőmérséklettartományban)
hőbontással gáz-gőz fázisra
és szilárd fázisra választja
szét. A TDT reaktor folyamatos működésű
kemence, melynek egyik végén a termolizisre
kerülő anyag lép be, a másik
végén a kigázosított
maradék anyag, illetve a tisztított
talaj lép ki, a benyúló párlatcsövön
pedig a gáz-gőz fázisú lepárlási
termék távozik el. A kis térfogatú
gáz gőz fázis szerves anyag tartalma
az utóégető kamrában 1250 °C-on
min. 2 másodperces benntartózkodási
idővel kiégetésre, majd gyors hűtés/hőcserélés
után a füstgáz mosóban
nagy hatékonyságú tisztításra
kerül.
- A TDT előnyei:
- jól alkalmazható a biológiailag
nem bontható szénhidrogén (kátrány,
nehéz olaj, pakura és CH maradékanyagok,stb.),
vegyi szennyeződések (klórbenzol,
stb.) és peszticidek ártalmatlanítására;
- alkalmazása minden koncentráció
tartományban (alacsonytól a nagy koncentrációig)
jól lehetséges;
- flexibilis eljárás: nem érzékeny
a szennyeződés összetételének
és koncentrációjának
gyors változásaira;
- a reduktív közegből adódóan
nem képez dioxin és furán gázokat,
illetve kizárja a dioxin és furán
gázok újraképződésének
lehetőségét is;
- a levegő kizárásából
adódóan kis térfogatú
és folyamatában jó kezelhető
füstgázárammal működik;
- a halogének és a nehézfémek
külön áramban történő
kezelésével jelentősen egy-szerűbbé,
biztonságosabbá és költség
hatékonnyá válik a füstgáztisztítás;
- emissziós értékei, környezetvédelmi
és környezetbiztonsági eredményei
hosszú távra is megfelelnek az új
szigorított EU és USA jogi normáknak;
- a tisztított talaj szervetlen összetétele
a TDT hőkezelés során nem változik
(nem oxidálódik) ezért utókezeléssel
gyorsan revitalizálható és
rekultiválható;
- jelentősen csökkenti a környezeti
és kármentesítési kockázatokat;
- a TDT alkalmazása – a nagy koncentráltságú
nehéz szerves illetve vegyi szennyeződések
ártalmatlanítására -
jól integrálható a biológiailag
könnyebben bontható szennyezőanyagok
bioremediációval történő
kezelési technológiáihoz, költséghatékony
együttes használatra;
- a garantált kármentesítési
végeredmény gyors és tervezhető
terület újrahasznosítást
eredményez.
|
Alkalmazási korlátok:
- a talaj < 25 mm szemcseméret szerinti
frakcionálása szükséges,
mely befolyásolja a költségeket;
- a magas nedvességtartalom növeli
a bevitt energiaköltségeket;
- a talajban lévő maradék nehézfémek
(amennyiben vannak ilyenek) stabilizációja
fitoremediációval szükséges
lehet.
|
|
Melléktermékek: |
mosóiszap (csak halogén
és Hg tartalmú szennyező anyagok kezelése
esetében keletkezik) |
|
Megbízhatóság/kezelhetőség: |
kiemelkedően jó |
|
Mentesítés
időtartalma: |
rövid |
|
Átlagos költség: |
átlagos |
|
Kritikus költségtényező: |
bevitt energia |
|
Megsemmisítési
és eltávolítási
hatásfok: |
> 99 % |
|
NHVOC: |
célcsoport |
|
HVOC: |
célcsoport |
|
NHSVOC: |
célcsoport |
|
HSVOC: |
célcsoport |
|
Szervetlenek: |
illó nehézfémek
(Hg), egyébként nem várható
eredmény |
|
Üzemanyagok: |
célcsoport |
|
Robbanóanyagok: |
célcsoport |
|
Radioaktív anyagok: |
radioaktív iszap
szárítással történő
stabilizálása és térfogatcsökkentése |
4.29a Az alacsony hőmérsékletű
termális deszorpciós eljárás folyamata
4.29b A magas hőmérsékletű
termális deszorpciós eljárás folyamata
4. 30 Felső lezárás
|
Mentesített
közeg: |
talaj, üledék,
iszap |
|
Technológiai
csoport: |
szigetelés |
|
Fejlesztési
állapot: |
nem értelmezhető |
Ismertetés:
|
A szennyezett közeg
lefedése a szennyezések elszigetelését
és megfigyelését teszi lehetővé,
de a szennyezők kivonása, vagy átalakítása
nem cél.
A lezárás alkalmazásának
célja lehet:
- a szennyezések felszíni kipárolgásának
csökkentése, valamint a fizikai hozzáférhetőség
csökkentése (expozíciós
út lezárása);
- a szennyezők mélyebb rétegekbe
mosódásának, és a csurgalékvíz
keletkezésének megakadályozása;
- a szennyezés biztonságos tárolása,
amíg a szennyezés kezelésére
nem kerül sor;
- a felszín alatti hulladékból
távozó gázok ellenőrzése;
- olyan felszín kialakítása,
amely segíti a vegetáció életét
és/vagy egyéb területhasználatot.
A lerakó felületi lezárása
nagyon gyakran alkalmazott technológia, egyrészt
mert más mentesítési technológiákkal
összehasonlítva viszonylag olcsó,
másrészt hatékonyan csökkenthetők
a humán és ökológiai kockázati
tényezők.
A terület kialakítása, akívánt
céltól függően változik. Egy
és többrétegű rendszerek ismeretesek.
Általában száraz területeken
egyszerűbb, míg vizes, csapadékos területeken
bonyolultabb rendszerek tervezése szükséges.
A talajfedés legkritikusabb része a
záró (gát) és a vízvezető
(drén) réteg. A záróréteg
alacsony vízáteresztő-képességű
talaj és/vagy agyag réteg. Erre geomembrán
réteg kerül (ált. PVC, PE, PP vagy
egyéb más polimer). Az ásványi
szigetelő réteg általában 15-60
cm (vagy nagyobb) vastagságú, k-tényezője
kisebb 1x10 - 8 m/s-nál.
Szigetelésre természetes (agyag), vagy
mesterséges (PVC, PE stb. fólia) anyagok
és ezek kombinációja alkalmazható.
A fedőréteg lehet egyrétegű, pl. beton/aszfalt
vagy többrétegű (ajánlott rétegfelépítést
lásd az ábrán). |
Alkalmazási korlátok:
|
- mélygyökerű
növényzet megtelepedése kerülendő;
- a területhasználat ne veszélyeztesse
a felső lezárás épségét. |
|
Melléktermék: |
nem értelmezhető |
|
Megbízhatóság/kezelhetőség: |
jó |
|
Mentesítés
időtartama: |
rossz |
|
Átlagos költség:
Kritikus költségtényező |
jó |
|
Hatásfok:
NHVOC:
HVOC:
NHSVOC:
HSVOC:
SZERVETLENEK:
ÜZEMANYAGOK:
ROBBANÓANYAGOK:
RADIOAKTÍV ANYAGOK: |
korlátozott hatásfok
korlátozott hatásfok
korlátozott hatásfok
korlátozott hatásfok
korlátozott hatásfok
korlátozott hatásfok
korlátozott hatásfok
nem várható eredmény |
4.30 A felső lezárás egyszerűsített kialakítása
4.31 Hulladéktároló felső lezárása csapadék-és csurgalékvíz elvezetése, rekultivációval
4. 31Felső lezárás,
vízelvezetés, rekultiváció
|
Mentesített
közeg: |
talaj, üledék,
iszap |
|
Technológiai
csoport: |
szigetelés |
|
Fejlesztési
állapot: |
nem értelmezhető |
Ismertetés:
|
A szennyezők migrációjának
meggátolása érdekében a
csapadékból származó beszivárgás
megakadályozása a cél. Ennek két
lehetséges módja:
1. a felszíni lefolyás elősegítése,
2. az evapotranspiráció fokozása
a növények párologtatása útján.
1. gyűjtőcsatornák (fém gyűjtővályúk)
elhelyezésével a felszíni lefolyás
lényegesen fokozható. Tapasztalat szerint
a terület max. 40 %-át érdemes becsatornázni,
mert a további felületnövelés
nem vezet a lefolyás lényeges emelkedéséhez.
2. a növényzet általi vízfelvétel
a vízmérleget kedvezően befolyásolja.
A felvett vizet a növényzet visszapárologtatja,
ezáltal a talaj nedvességtartalma csökken.
A növényzet csökkenti az eróziót. |
Alkalmazási korlátok:
|
- a terület körültekintő
elemzése szükséges;
- a növényfedés nem állandó
jellegű (szezonális). |
|
Melléktermék: |
nem értelmezhető |
|
Megbízhatóság/kezelhetőség: |
jó |
|
Mentesítés
időtartama: |
rossz |
|
Átlagos költség:
Kritikus költségtényező |
jó |
|
Hatásfok:
NHVOC:
HVOC:
NHSVOC:
HSVOC:
SZERVETLENEK:
ÜZEMANYAGOK:
ROBBANÓANYAGOK:
RADIOAKTÍV ANYAGOK: |
korlátozott hatásfok
korlátozott hatásfok
korlátozott hatásfok
korlátozott hatásfok
korlátozott hatásfok
korlátozott hatásfok
korlátozott hatásfok
nem várható eredmény |
4. 32 Kitermelés, elszállítás
és deponálás talajcserével
|
Mentesített
közeg: |
talaj, üledék,
iszap |
|
Technológiai
csoport: |
egyéb |
|
Fejlesztési
állapot: |
nem értelmezhető |
Ismertetés:
|
A szennyezett talajt kitermelik,
kezelőtelepre és/vagy lerakóra szállítják.
A szennyezett talaj előzetes kezelésére
(a lerakó adottságainak függvényében)
szükség lehet (általában szükséges).
Már a lerakóhely létesítése
előtt gondos vizsgálatokkal kell kiválasztani
a legalkalmasabb területet. A tervezés során
a szigetelés, a csapadékvizek hatékony
elvezetése, valamint a hosszú távú
megfigyelést lehetővé tevő monitoring
rendszer kialakítása a legfontosabb követelmény.
Végleges lerakók esetében a lerakó
teljes élettartama alatt szükséges
a megfigyelés és karbantartás. |
Alkalmazási korlátok:
- a kitermelés során felszabaduló
gázok keletkezése problémát
okozhat;
- a legközelebbi alkalmas lerakóhely
távolsága a mentesítendő területtől
nagymértékben befolyásolja
a költségeket;
- a szennyezett talaj mennyisége, elhelyezkedése;
- a szennyezett talaj szállítási
útvonalán a települések
ellenállására is lehet számítani;
- radioaktív szennyezések, vagy
vegyes szennyezések lerakására
nagyon kevés alkalmas terület van;
- a lerakó nem megfelelő kialakítása
vagy üzemeltetése szag, bűz vagy egyéb
(rovar, szúnyog, légy) problémákat
okozhat.
|
|
Melléktermék: |
nem értelmezhető |
|
Megbízhatóság/kezelhetőség: |
jó |
|
Mentesítés
időtartama: |
jó |
|
Átlagos költség:
Kritikus költségtényező |
rossz |
|
Hatásfok:
NHVOC:
HVOC:
NHSVOC:
HSVOC:
SZERVETLENEK:
ÜZEMANYAGOK:
ROBBANÓANYAGOK:
RADIOAKTÍV ANYAGOK: |
korlátozott hatásfok
korlátozott hatásfok
korlátozott hatásfok
korlátozott hatásfok
korlátozott hatásfok
korlátozott hatásfok
korlátozott hatásfok
korlátozott hatásfok |
4.32 Szennyezett talaj kitermelése,
elszállítása és ellenőrzött kezelése
vagy deponálása
4. 33 Ko-metabolikus
in-situ bioremedációs eljárás szennyezett
talajvíz megtisztítására
4.33 Ko-metabolikus lebontás
|
Mentesített
közeg: |
talajvíz, felszíni
víz, csurgalékvíz |
|
Technológiai
csoport: |
in situ biológiai |
|
Fejlesztési
állapot: |
kísérleti |
Ismertetés:
|
A szennyezett talajvízbe metán,
toluol hígított oldatát és
oxigént injektálnak, amely elősegíti
a szerves szennyezők lebontását.
Metán vagy metanol hozzáadása
elősegíti a lebontás aktivitását,
amely fontos a klórozott oldószerek ko-metabolitikus
lebontásában (vinil-klorid, TCE stb.)
Bár a propán, bután, toluol nem
metanotrófok mégis alkalmasak a ko-metabolitikus
folyamatok elősegítésére (pl. TCE
lebontása). |
Alkalmazási korlátok:
- viszonylag új technológia, jelenleg
is fejlesztés alatt áll;
- heterogén közegben nagyon nehéz
a metán oldat egyenletes bejuttatása
a szennyezett talajvíztérbe;
- metán fokozottan robbanásveszélyes
volta miatt szigorú tűzvédelmi előírások
betartása szükséges;
- a kitermelt talajvizet újrainjektálás
vagy befogadóba vezetés előtt felszínen
kezelni kell (sztrippelés, aktív szén
szűrés);
- a magas réztartalom befolyásolja
a metanotróf ko-metabolitikus folyamatot.
|
|
Melléktermék: |
nincs |
|
Megbízhatóság/kezelhetőség: |
nem értelmezhető |
|
Mentesítés
időtartama: |
szennyezés specifikus |
|
Átlagos költség:
Kritikus költségtényező |
szennyezés specifikus
működtetés, karbantartás |
|
Hatásfok:
NHVOC:
HVOC:
NHSVOC:
HSVOC:
SZERVETLENEK:
ÜZEMANYAGOK:
ROBBANÓANYAGOK:
RADIOAKTÍV ANYAGOK: |
célcsoport
csak a célcsoport egyes elemeire
célcsoport
csak a célcsoport egyes elemeire
nem várható eredmény
csak a célcsoport egyes elemeire
korlátozott hatásfok
nem várható eredmény |
4. 34 Intenzifikált bioremediáció
|
Mentesített
közeg: |
talajvíz, felszíni
víz, csurgalékvíz |
|
Technológiai
csoport: |
in situ biológiai |
|
Fejlesztési
állapot: |
üzemi |
Ismertetés:
|
A szerves szennyezők biológiai
lebontása talajvízben, felszíni
vizekben vagy csurgalék-vizekben az elektron
akceptorok és a tápanyagok koncentrációjának
növelésével fokozható. Az
aerob biológia lebontás fő elektron akceptora
az oxigén. A nitrát alternatív
elektron akceptor anaerob körülmények
között. A talajban természetesen jelenlévő,
vagy oda mesterségesen bevitt (beoltott) mikroorganizmusok
lebontják a számukra tápanyagul
szolgáló szerves szenynyezőket.
A bioremediáció során a természetesen
is – gyakorlatilag mindig– lezajló lebontási
folyamatokat a mikrobák életkörülményeinek
javításával (tápanyag és
oxigén-bevitel) és/vagy megfelelő mikroba
tenyészet telepítésével
próbáljuk felgyorsítani. A mikrobák
a számukra bontható szerves anyagokból
ártalmatlan végtermékeket hoznak
létre.
A talajvíz oxigéntartalmának
növelése oxigén befúvással,
vagy hidrogén-peroxid bejuttatásával
érhető el. Anaerob körülmények
között a bioremediáció gyorsítása
érdekében nitrátot juttatnak a
talajvízbe.
Tapasztalatok szerint az üzemanyagok aerob körülmények
között hamar lebomlanak, a gyors lebomlást
azonban az oxigénhiány akadályozhatja.
Az oxigén vízben nehezen oldódik,
és a jelenlévő oxigént a mikrobák
nagyon hamar el is használják. Nitrát
is alkalmazható elektron akceptorként,
amely az oxigénnél jobban oldódik,
adagolásával a toluol, etilbenzol, xilol
lebontás segíthető. A benzol komponens
szigorúan anaerob körülmények
között lassabban bomlik le. Vegyes oxigén/nitrát
rendszer hatékony lehet, mert a nitrát
kiegészíti – nem felváltja – a
hiányzó oxigént, lehetővé
téve a benzol bioremediációját. |
Alkalmazási korlátok:
- heterogén közegben nagyon nehéz
az oxigén/nitrát, vagy hidrogén-peroxid
egyenletes bevitele, ezért a bioremediáció
sebessége is helytől függő lesz;
- a hidrogén-peroxid kezelése elővigyázatosságot
igényel;
- 100-200 mg/l feletti H2O2tartalom
(talajvízben) gátolja a mikroorganizmusok
működését;
- mikrobiális enzimek és magas vastartalom
nagyon gyorsan lecsökkentik a H2O2-tartalmat
ezáltal lecsökkentik a hatásterületet;
- számos helyen a nitrát talajvízbe
(felszín alatti vizekbe) juttatása
nem engedélyezett;
- a kitermelt talajvíz kezelése
visszajuttatás, vagy befogadóba vezetés
előtt szükséges lehet;
- a besajtolás túlnyomása
miatt a gázok/gőzök épületek
pincéibe, alapfalaiba juthatnak.
|
|
Melléktermék: |
nincs |
|
Megbízhatóság/kezelhetőség: |
nem értelmezhető |
|
Mentesítés
időtartama: |
szennyezés specifikus |
|
Átlagos költség:
Kritikus költségtényező |
szennyezés specifikus
működtetés, karbantartás |
|
Hatásfok:
NHVOC:
HVOC:
NHSVOC:
HSVOC:
SZERVETLENEK:
ÜZEMANYAGOK:
ROBBANÓANYAGOK:
RADIOAKTÍV ANYAGOK: |
célcsoport
csak a célcsoport egyes elemeire
célcsoport
csak a célcsoport egyes elemeire
nem várható eredmény
célcsoport
korlátozott hatásfok
nem várható eredmény |
4.34a Oxigén-növeléses
bioremedációs eljárás talajvíz
tisztítására levegő befúvatásával
4.34b Biológiai kezelés
intenzív oxigén (hidrogén-peroxid) bevitellel
4.34c Biológiai kezelés
intenzív nitrátbevitellel
4. 35 Természetes szennyezéscsökkenés
|
Mentesített
közeg: |
talajvíz, felszíni
víz, csurgalékvíz |
|
Technológiai
csoport: |
in situ biológiai |
|
Fejlesztési
állapot: |
üzemi |
Ismertetés:
|
Természetes folyamatok, mint
pl. a hígulás, kipárolgás,
biológiai lebomlás, adszorpció,
és kémiai reakciók következtében
a szennyezés bizonyos mértékű természetes
lebomlása játszódik le.
E mentesítési módszer alkalmazásakor
a terület alapos feltárása és
a szennyeződés lebomlási folyamatának
alapos modellezése szükséges. A modellezés
segítségével előre jelezhető, hogy
milyen mértékű lebomlásra lehet
számítani a hely és az idő függvényében
(különösen ott, ahol a szennyezés
még mindig terjed és migrál). A
lebomlási folyamat ellenőrzése érdekében
megfigyelő rendszer telepítése és
működtetése szükséges. Ezáltal
ellenőrizhető, hogy a lebontás az előre jelzett
sebességgel zajlik-e.
A természetes lebontás választása
nem egyenlő a nem beavatkozás alternatívával,
bár sokszor így értelmezik. |
Alkalmazási korlátok:
- a modellezéshez nagyon sok adatot kell
begyűjteni;
- átmeneti állapotokban keletkező
közbenső termékek mérgezőbbek
és mobilabbak lehetnek, mint kiindulási
állapotban;
- közvetlen kockázat fennállása
esetén nem választható;
- a szennyezőanyag lebomlás előtt elmozdulhat;
- a terület a szennyezés megfelelő
mértékű csökkenése előtt
csak korlátozással (vagy egyáltalán
nem) használható;
- szabad fázisban levő anyagok eltávolítása
szükséges lehet;
- néhány szervetlen anyag immobilizálható,
de lebontásuk nem következik be (pl.
Hg);
- hosszú távú megfigyelés
szükséges;
- a mentesítés az egyéb aktív
mentesítési technológiákhoz
képest hosszú ideig tart;
- a hidrológiai és geokémiai
feltételek változása a lebontás
folyamatának változásához
vezethet, egyes szennyezők újra mobilizálódhatnak,
és kedvezőtlenül befolyásolhatják
a mentesítést;
- a technológia elfogadtatása a
nyilvánossággal nagy erőfeszítést
követel.
|
|
Melléktermék: |
nincs |
|
Megbízhatóság/kezelhetőség: |
nem értelmezhető |
|
Mentesítés
időtartama: |
szennyezés specifikus |
|
Átlagos költség:
Kritikus költségtényező |
szennyezés specifikus
működtetés, karbantartás |
|
Hatásfok:
NHVOC:
HVOC:
NHSVOC:
HSVOC:
SZERVETLENEK:
ÜZEMANYAGOK:
ROBBANÓANYAGOK:
RADIOAKTÍV ANYAGOK: |
csak a célcsoport egyes elemeire
csak a célcsoport egyes elemeire
csak a célcsoport egyes elemeire
csak a célcsoport egyes elemeire
nem várható eredmény
csak a célcsoport egyes elemeire
nem várható eredmény
nem várható eredmény |
4.35 A talajvízben bekövetkező
természetes lebomlás nyomonkövetése monitoringkúttal
4. 36 Fitoremediáció
|
Mentesített
közeg: |
talajvíz, felszíni
víz, csurgalékvíz |
|
Technológiai
csoport: |
in situ biológiai |
|
Fejlesztési
állapot: |
kísérleti |
Ismertetés:
|
Fitoremediáció
során a szerves vagy szervetlen szennyezések
eltávolítása, átalakítása,
megkötése növények segítségével
történik.
A növények számos úton
képesek a szennyezések eltávolítására:
- fokozott gyökérzóna biodegradáció,
- hidraulikus befolyásolás;
- degradáció;
- párologtatás.
Fokozott gyökérzóna degradáció:
a lebontás a növények gyökereinek
közvetlen közelében zajlik le. A gyökerek
fellazítják a talajt, kihalnak, természetes
járatokat képezve, melyek a víz
és levegő továbbítására
kiválóan alkalmasak. Ez a folyamat elősegíti
a víz felvételét a mélyebb
rétegekből, nedvesítve a felszín
közeli közeget, szárítva a mélyebb
rétegeket.
Hidraulikus befolyásolás: fák
– fajtától és évszaktól
függően – ún. szerves szivattyúként
működnek, azaz gyökérzetük révén
a talajból nagy mennyiségű vizet vesznek
fel és azt elpárologtatják.
Degradáció: a szennyezés átalakulása
(metabolizmus) a növények szöveteiben.
A növények enzimeket termelnek, amelyek
(pl. dehalogénáz, vagy oxigenáz)
katalizátorként segítik a lebontás
folyamatát. Kutatások folynak, hogy vajon
mindkét (aromás és klórozott
alifás) komponens esetében létrejöhet-e
a lebontás.
Párologtatás: növényzet
gyökerein keresztül a szerves szennyezőket
is tartalmazó vizet felveszi, majd a szerves
szennyezőket a leveleken keresztül a légkörbe
párologtatja. A levelek képesek a szerves
szennyezők bizonyos mértékű lebontására
is. Ez esetben az átalakult vegyületek jutnak
a légkörbe. |
Alkalmazási korlátok:
- a mentesített közeg mélységét
a növényzet gyökérzóna
mélysége határozza meg (általában
csak sekély mélység esetén
alkalmazható);
- a kockázatos anyagok magas koncentrációja
toxikus lehet a növényekre;
- szezonális, helytől és növénytől
függően;
- a szennyezést továbbíthatja
a talajból a levegőbe (leveleken keresztül);
- nem hatásos erősen vagy gyengén
kötött szennyezőkre (pl. PCB-k);
- az átalakulás során keletkező
anyagok (végtermék) toxicitása
vagy biológiai alkalmazhatósága
nem mindig ismert;
- a szennyezőanyag mobilizálódhat,
bekerülhet a felszín alatti vizekbe,
majd felhalmozódhat az állatok szervezetében;
- területigényes.
|
|
Melléktermék: |
nincs |
|
Megbízhatóság/kezelhetőség: |
jó |
|
Mentesítés
időtartama: |
rossz |
|
Átlagos költség:
Kritikus költségtényező |
jó |
|
Hatásfok:
NHVOC:
HVOC:
NHSVOC:
HSVOC:
SZERVETLENEK:
ÜZEMANYAGOK:
ROBBANÓANYAGOK:
RADIOAKTÍV ANYAGOK: |
korlátozott hatásfok
korlátozott hatásfok
korlátozott hatásfok
korlátozott hatásfok
célcsoport
korlátozott hatásfok
célcsoport
nem várható eredmény |
4.36 In-situ fito degradációs lebontás növények által termelt enzimek segítségével
4. 37 Levegőztetés
|
Mentesített
közeg: |
talajvíz, felszíni
víz, csurgalékvíz |
|
Technológiai
csoport: |
in situ fizikai/kémiai |
|
Fejlesztési
állapot: |
üzemi |
Ismertetés:
|
A levegőztetés során a
talajvíz és a levegő kölcsönhatási
felületének növelése a cél.
A szennyvíztisztításban jól
ismert a levegőztetés alkalmazása, melyhez
tervezhető, költséghatékony és
kiforrott berendezések is rendelkezésre
állnak. A levegő bejuttatásának
célja a biológiai lebontás sebességének
a növelése. A levegőztetés elve:
lehetővé tenni, hogy levegő a lehető legnagyobb
felületen érintkezzen a vízzel. Ez
légbuborékok bevitelével, a víz
cseppekre bontásával érhető el. |
Alkalmazási korlátok:
- magas illékony szennyezőanyag-tartalom
esetén szabad térben nem alkalmazható
(a kilépő)
|
|
Melléktermék: |
pára |
|
Megbízhatóság/kezelhetőség: |
átlagos |
|
Mentesítés
időtartama: |
jó |
|
Átlagos költség:
Kritikus költségtényező |
jó |
|
Hatásfok:
NHVOC:
HVOC:
NHSVOC:
HSVOC:
SZERVETLENEK:
ÜZEMANYAGOK:
ROBBANÓANYAGOK:
RADIOAKTÍV ANYAGOK: |
célcsoport
célcsoport
korlátozott hatásfok
korlátozott hatásfok
nem várható eredmény
célcsoport
nem várható eredmény
nem várható eredmény |
4. 38 Légbekeverés (air sparging)
|
Mentesített
közeg: |
talajvíz, felszíni
víz, csurgalékvíz |
|
Technológiai
csoport: |
in situ fizikai/kémiai |
|
Fejlesztési
állapot: |
üzemi |
Ismertetés:
|
Az illékony komponensek
eltávolítása érdekében
a telített talajvíztérbe levegőt
fújnak be.
A folyamat tulajdonképpen in situ sztrippelésnek
fogható fel. A telített zónába
fúvott levegő elősegíti az illékony
szennyezők telítetlen zónába jutását.
A telítetlen zónából talajgáz-kitermeléses
eljárással az illékony szennyezőanyagok
kitermelhetők, majd kezelhetők. A rendszer nagy (levegő)
áramlási sebességgel működik,
hogy minél több gáz legyen sztrippelhető. |
Alkalmazási korlátok:
- a levegő egyenletes bejuttatása a telített
zónába nem mindig lehetséges,
ezért a veszélyes gázok mozgása
nem mindig számítható ki;
- a szennyezés mélysége és
a geológiai felépítés
alapos mérlegelése szükséges;
- a légbefúvó kutakat a helyi
adottságoknak megfelelően kell tervezni;
- a talaj heterogenitása miatt maradhatnak
nem érintett területek.
|
|
Melléktermék: |
pára |
|
Megbízhatóság/kezelhetőség: |
jó |
|
Mentesítés
időtartama: |
jó |
|
Átlagos költség:
Kritikus költségtényező |
jó |
|
Hatásfok:
NHVOC:
HVOC:
NHSVOC:
HSVOC:
SZERVETLENEK:
ÜZEMANYAGOK:
ROBBANÓANYAGOK:
RADIOAKTÍV ANYAGOK: |
célcsoport
célcsoport
nem várható eredmény
nem várható eredmény
nem várható eredmény
célcsoport
nem várható eredmény
nem várható eredmény |
4.38 Talajvíz-levegőztetéses
tisztítás levegőbefúvatásos eljárással
(air sparging)
4. 39 Vákuumos
úszófázis és talajgáz-eltávolítás
együttes alkalmazása
4.39 Vákuumos úszó fázis és
talajgáz eltávolítás
|
Mentesített
közeg: |
talajvíz, felszíni
víz, csurgalékvíz |
|
Technológiai
csoport: |
in situ fizikai/kémiai |
|
Fejlesztési
állapot: |
üzemi |
Ismertetés:
|
Két egymástól
függetlenül is alkalmazott mentesítési
technológia, a bioventilláció és
a vákuumos szabadfázis kitermelés
együttes alkalmazása. A bioventilláció
elősegíti a szénhidrogén szennyezések
aerob biológiai lebontását. A vákuumos
szabadfázis kitermeléssel a felúszó
könnyű komponensek is eltávolíthatók
a vízfelszínről vagy a kapillárisokból. |
Alkalmazási korlátok:
- tömör (alacsony áteresztő-képességű)
talajokban csökken a hatékonyság;
- az alacsony nedvességtartalom csökkenti
a biológiai lebontás sebességét
és a bioventilláció hatásosságát,
mivel ez szárítja a talajt;
- számos klórozott komponens aerob
lebontása ko-metabolizmus hiányában
eredménytelen lehet;
- gyakran a kitermelt gázok légkörbe
bocsátás előtti tisztítása
szükséges;
- számos esetben a kitermelt víz
befogadóba bocsátás előtti
kezelése szükséges;
- tekintettel arra, hogy a víz, a szénhidrogén
és a levegő eltávolítása
egyszerre történik, a fázisok
egymással keverednek. Emiatt befogadóba
történő bocsátás előtt
a fázisok szétválasztására
(olaj/víz) szükséges.
|
|
Melléktermék: |
folyadék+pára |
|
Megbízhatóság/kezelhetőség: |
átlagos |
|
Mentesítés
időtartama: |
átlagos |
|
Átlagos költség:
Kritikus költségtényező |
jó |
|
Hatásfok:
NHVOC:
HVOC:
NHSVOC:
HSVOC:
SZERVETLENEK:
ÜZEMANYAGOK:
ROBBANÓANYAGOK:
RADIOAKTÍV ANYAGOK: |
korlátozott hatásfok
korlátozott hatásfok
célcsoport
célcsoport
nem várható eredmény
célcsoport
korlátozott hatásfok
nem várható eredmény |
4. 40 Irányított ferde fúrások
|
Mentesített
közeg: |
talajvíz, felszíni
víz, csurgalékvíz |
|
Technológiai
csoport: |
in situ fizikai/kémiai |
|
Fejlesztési
állapot: |
üzemi |
Ismertetés:
|
Hagyományos függőleges
furatokkal (kutakkal) nem elérhető szennyezések
esetében vízszintes vagy ferde fúrásokkal
létesítenek kutakat, amelyek számos
mentesítési technológia során
jól alkalmazhatók (talajvíz-kitermelés,
talajgáz-kitermelés, bioventilláció,
talajmosás, kutakon belüli sztrippelés).
Megfelelő berendezéssel (melyek rendelkezésre
állnak) a furatok tetszőleges irányban
(ferdén, vízszintesen) létesíthetők,
a furat pozíciója állandóan
ellenőrizhető és korrigálható. |
Alkalmazási korlátok:
|
- a furatok (kutak) beomlása
nem zárható ki;
- speciális berendezés szükséges;
- a furatok pontos irányítása
nehézkes;
- vízszintes és ferde kutak készítése
általában drága;
- jelenleg kb. 15 m mélységig alkalmazható. |
|
Melléktermék: |
nem értelmezhető |
|
Megbízhatóság/kezelhetőség: |
átlagos |
|
Mentesítés
időtartama: |
jó |
|
Átlagos költség:
Kritikus költségtényező |
nincs elegendő információ
beruházás |
|
Hatásfok:
NHVOC:
HVOC:
NHSVOC:
HSVOC:
SZERVETLENEK:
ÜZEMANYAGOK:
ROBBANÓANYAGOK:
RADIOAKTÍV ANYAGOK: |
korlátozott hatásfok
korlátozott hatásfok
korlátozott hatásfok
korlátozott hatásfok
korlátozott hatásfok
korlátozott hatásfok
korlátozott hatásfok
nem várható eredmény |
4.40 In-situ levegőztetéses
eljárás irányított fúrásokkal
4. 41 Kétfázisú
kitermelés
|
Mentesített
közeg: |
talajvíz, felszíni
víz, csurgalékvíz |
|
Technológiai
csoport: |
in situ fizikai/kémiai |
|
Fejlesztési
állapot: |
üzemi |
Ismertetés:
|
Nagy vákuum alkalmazásával
a különböző szennyezőanyagokat tartalmazó
talajvizet, a szabad fázisú olajszármazékokat
és a CH gőzöket/gázokat egyidejűleg
távolítják el.
A kitermelt gázok és a folyadék
visszajuttatás, befogadóba vezetés
vagy mentesítés előtti kezelése
szükséges. Elsősorban kis vízáteresztő-képességű
és heterogén talajokban alkalmazott eljárás.
A vákuumkút a talajvízfelszín
alatt és felett is (telített és
telítetlen zóna) szűrőzött. A vákuumkút
környezetében a talajvíz szintje
csökken, ezáltal a pórustérből
a szennyezők a talajgáz kitermeléssel
eltávolíthatók. Hosszú láncú
szénhidrogének esetébena kétfázisú
kitermelést általában bioremediációval,
levegő besajtolással vagy bioventillációval
kombinálják. Az együttes alkalmazás
a mentesítés időtartamát lecsökkentheti.
A technológiát vízben nem oldódó
szerves folyadék fázis kitermelésére
(szabad fázis kitermelés) általában
akkor alkalmazzák, ha a víz felszínén
úszó lencse (szénhidrogén)
vastagsága meghaladja a 20 cm-t. |
Alkalmazási korlátok:
- geológiai jellemzők és a szennyeződés
sajátosságai;
- más technológiák kiegészítő
alkalmazására szükség
lehet (szivattyúzás) nagy vízadó
képességű rétegekből való
kitermelés esetén;
- a mindkét fázis (folyadék
és gáz) felszíni tisztítása
szükséges.
|
|
Melléktermék: |
folyadék+pára |
|
Megbízhatóság/kezelhetőség: |
átlagos |
|
Mentesítés
időtartama: |
átlagos |
|
Átlagos költség:
Kritikus költségtényező |
átlagos
működtetés, karbantartás |
|
Hatásfok:
NHVOC:
HVOC:
NHSVOC:
HSVOC:
SZERVETLENEK:
ÜZEMANYAGOK:
ROBBANÓANYAGOK:
RADIOAKTÍV ANYAGOK: |
célcsoport
célcsoport
nem várható eredmény
nem várható eredmény
nem várható eredmény
célcsoport
nem várható eredmény
nem várható eredmény |
4.41a A kétfázisú
kitermeléses eljárás folyamata
4.41 b Szabadfázisú
szénhidrogén kinyerése kettős szivattyúrendszerrel
4. 42 Kúton belüli sztrippelés
|
Mentesített
közeg: |
talajvíz, felszíni
víz, csurgalékvíz |
|
Technológiai
csoport: |
in situ fizikai/kémiai |
|
Fejlesztési
állapot: |
kísérleti |
Ismertetés:
|
Egy, két szinten
szűrőzött kútba levegőt injektálnak.
Ennek hatására a kútban a vízszint
megemelkedik, és a felső szűrőn keresztül
a víz visszajut a vízadó rétegbe.
Ezzel párhuzamosan az alsó szűrőn át
friss talajvíz áramlik a kútba
a környező részből. Mialatt a szennyezett
víz a kútban van, a levegővel történő
keveredés hatására az illékony
komponensek egy része oldott állapotból
gáz állapotba megy át. A szennyezett
gáz fázis a folyadékfelszínre
kerül, ahonnan vákuum segítségével
kitermelhető. A vákuum hatására
nemcsak a kútban felhalmozott gázok távoznak,
hanem a telítetlen talajzónában
talajgáz részleges kitermelése
is létrejön. A talajvíz az alsó
és a felső szűrő közötti talajtérben
cirkulál, miközben illékony szervesanyag
tartalma fokozatosan csökken. A rendszer kiegészíthető
pl. a légbefúvással együttesen
bejuttatott egyéb anyagok (tápanyag, oxigén,
stb.) alkalmazásával a bioremediáció
elősegítésére. |
Alkalmazási korlátok:
- nagy koncentrációjú és
nagy Henry-állandójú oldott
szennyezések esetén hatékony;
- a szűrők az oxidáció során
keletkező különböző csapadékok
hatására eltömődhetnek;
- kis vastagságú vízadó
rétegekben a rendszer hatásfoka korlátozott;
- karakterisztikus természetes áramlási
rendszer esetén nem hatékony;
- csak 10-50 cm/h k-tényező felett hatékony,
ahol a réteg rosszabb áteresztőképességű
lencséket nem tartalmaz;
- jól lehatárolható szennyezés
esetén alkalmazható;
- úszó CH esetén a szennyezőanyag
"szétkenése", továbbterjedése
miatt kerülendő.
|
|
Melléktermék: |
folyadék+pára |
|
Megbízhatóság/kezelhetőség: |
jó |
|
Mentesítés
időtartama: |
átlagos |
|
Átlagos költség:
Kritikus költségtényező |
átlagos
beruházás |
|
Hatásfok:
NHVOC:
HVOC:
NHSVOC:
HSVOC:
SZERVETLENEK:
ÜZEMANYAGOK:
ROBBANÓANYAGOK:
RADIOAKTÍV ANYAGOK: |
célcsoport
célcsoport
korlátozott hatásfok
korlátozott hatásfok
nincs elegendő információ
célcsoport
nem várható eredmény
nem várható eredmény |
4.42 Talajpára sztrippelése
injektáló-kitermelő kúttal
4. 43 Forró
vízzel vagy gőzzel történő átmosatás/sztrippelés
4.43 Forró vízzel vagy gőzzel való átmosatás/sztrippelés
|
Mentesített
közeg: |
talajvíz, felszíni
víz, csurgalékvíz |
|
Technológiai
csoport: |
in situ fizikai/kémiai |
|
Fejlesztési
állapot: |
kísérleti |
Ismertetés:
|
Az illékony, vagy
részben illékony komponensek kipárologtatása
érdekében a vízadó rétegekbe
forró gőzt injektálnak. A talajvízből
kipárolgó komponensek a telítetlen
zónába jutnak, ahonnan vákuum kutakkal
kitermelhetők és kezelhetők. A technológia
befejezése után (részleges mentesítés)
biológiai mentesítésre is sor kerülhet
a mentesítési célállapot
elérése érdekében.
A mentesítés elsősorban az olajos szennyezések
nagy részének eltávolítására,
és a szerves szennyezők mozgásának
meggátolására alkalmazható,
kis és nagyobb mélységekben egyaránt. |
Alkalmazási korlátok:
- talajtípus, a szennyezés jellemzői,
a geológiai és hidrogeológiai
viszonyok jelentősen befolyásolják
a technológia hatásfokát.
|
|
Melléktermék: |
folyadék+pára |
|
Megbízhatóság/kezelhetőség: |
rossz |
|
Mentesítés
időtartama: |
jó |
|
Átlagos költség:
Kritikus költségtényező |
átlagos
beruházás |
|
Hatásfok:
NHVOC:
HVOC:
NHSVOC:
HSVOC:
SZERVETLENEK:
ÜZEMANYAGOK:
ROBBANÓANYAGOK:
RADIOAKTÍV ANYAGOK: |
korlátozott hatásfok
korlátozott hatásfok
célcsoport
célcsoport
nem várható eredmény
célcsoport
nem várható eredmény
nem várható eredmény |
4. 44 Hidraulikus repesztéses fellazítás
|
Mentesített
közeg: |
talajvíz, felszíni
víz, csurgalékvíz |
|
Technológiai
csoport: |
in situ fizikai/kémiai |
|
Fejlesztési
állapot: |
kísérleti |
Ismertetés:
|
Víz nagy nyomású
injektálásával az alacsony vízáteresztő
képességű rétegekben repedések,
járatok hozhatók létre, amelyek
porózus anyaggal tölthetők ki. Ezek az üregek
teret nyitnak a bioremediáció számára,
és a vízkitermelés hatékonyságát
növelik. A repedések segítik a kezelő
folyadék egyenletes bejuttatását
és gyorsítják a mobilizált
szennyezők kitermelését.
Általában talajgáz-kitermeléssel,
in situ bioremediációval vagy szivattyúzással
és felszíni kezeléssel együttesen
alkalmazzák.
Repesztéses eljárásnál
a geosztatikai nyomásnál nagyobb nyomással
vizet sajtolnak a lezárt kútba, ami repedéseket
hoz létre a kijelölt rétegben. A
repedésekbe durvaszemcsés homokból
és speciális viszkózus gél
anyagból álló zagyot juttatnak.
A homokszemcsék az üregeket kitámasztják,
nyitva tartják, amíg a bejuttatandó
enzim adalék a gélanyagot elbontja. A
felhíguló anyagot szivattyúzással
eltávolítva vízáteresztő
erek, járatok maradnak a talajban, amelyek folyadék
vagy gáz bejuttatására vagy kitermelésére
alkalmasak. |
Alkalmazási korlátok:
- sziklás kőzetekben nem alkalmazható;
- szennyeződések nemkívánatos
terjedésének lehetősége fennáll;
- a képzett üregek, járatok
helyének és méretének
ellenőrzése nem lehetséges;
- az üregek beomlásának veszélye
fennáll.
|
|
Melléktermék: |
nincs |
|
Megbízhatóság/kezelhetőség: |
jó |
|
Mentesítés
időtartama: |
jó |
|
Átlagos költség:
Kritikus költségtényező |
átlagos |
|
Hatásfok:
NHVOC:
HVOC:
NHSVOC:
HSVOC:
SZERVETLENEK:
ÜZEMANYAGOK:
ROBBANÓANYAGOK:
RADIOAKTÍV ANYAGOK: |
korlátozott hatásfok
korlátozott hatásfok
korlátozott hatásfok
korlátozott hatásfok
korlátozott hatásfok
korlátozott hatásfok
korlátozott hatásfok
nem várható eredmény |
4.44 Hidraulikus repesztéses
fellazítás kis áteresztőképességű
képződmények kármentesítésére
4. 45 Passzív/aktív falak
|
Mentesített
közeg: |
talajvíz, felszíni
víz, csurgalékvíz |
|
Technológiai
csoport: |
in situ fizikai/kémiai |
|
Fejlesztési
állapot: |
üzemi |
Ismertetés:
|
A szennyezett felszín
alatti víz áramlási irányára
merőlegesen kiépített kötényfallal,
szádfallal, vagy résfallal visszatartják
a szennyezett felszín alatti vizet. A falon megfelelő
helyen kialakított “kapun” keresztül szabályozzák
a vízáramlást az in-situ reakciós
zóna felé. A szennyezések visszatartása
speciális anyagok adagolásával
érhető el (vegyérték nélküli
fémek, kelátorok, szorbensek, mikrobák,
és egyebek). A szennyezés az alkalmazott
adalék hatására vagy lebomlik,
vagy koncentráltan megkötődik.
A következő eljárások ismeretesek:
Tereléses eljárás: A szennyezés
útjába (áramvonalakra merőlegesen)
egy gyakorlatilag vízzáró falat
(résfal, ill. szádfal) helyeznek el (k< 10 -8 m/s),
amelyen egy szűk nyílást, kaput hagynak.
Ez a kapu ad helyet az in-situ reakciós zónának.
A víz elsősorban a kapun keresztül képes
áthaladni, amelyben a reakció (lebontás,
vagy visszatartás) lejátszódik.
Vas fal: A klórozott szennyezések (TCE,
DCE, VC) kezelése érdekében a fal
vasszemcséket, vagy egyéb vastartalmú
ásványokat tartalmaz. A vas oxidációja
során szennyezés klóratomja valamely
reduktív deklórozó (klórelvonó)
mechanizmus által kiszakad, amelyhez a vas oxidációja
szolgáltatja az elektronokat. A folyamatban a
vas feloldódik, de a fal hosszú évekig
működőképes marad. |
Alkalmazási korlátok:
- a reaktív falak kimeríthetik regeneráló
képességüket, tehát a
reaktív anyag utánpótlása
szükséges lehet;
- fémsók kicsapódásának
következtében a fal vízáteresztő
képessége csökkenhet;
- a fal szükséges mélysége
és/vagy vastagsága;
- biológiai aktivitás, vagy kémiai
csapadékok képződése ugyancsak
csökkentheti a fal vízáteresztő-képességét;
- olyan, folytonos vízáteresztő
rétegre korlátozott, amely az árkoló
berendezés határmélységén
belül van.
|
|
Melléktermék: |
szilárd |
|
Megbízhatóság/kezelhetőség: |
nincs elegendő információ |
|
Mentesítés
időtartama: |
rossz |
|
Átlagos költség:
Kritikusköltségtényező |
nincs elegendő információ
beruházás |
|
Hatásfok:
NHVOC:
HVOC:
NHSVOC:
HSVOC:
SZERVETLENEK:
ÜZEMANYAGOK:
ROBBANÓANYAGOK:
RADIOAKTÍV ANYAGOK: |
célcsoport
célcsoport
célcsoport
célcsoport
célcsoport
korlátozott hatásfok
célcsoport
nem várható eredmény |
4.45 Passzív/aktív
szigetelőfal (keresztmetszet) kialakítása
4.46 Bioreaktor (forgatott
biológiai kontaktor) vázlatos felépítése
4. 46 Bioreaktor
|
Mentesített
közeg: |
talajvíz, felszíni
víz, csurgalékvíz |
|
Technológiai
csoport: |
ex situ biológiai |
|
Fejlesztési
állapot: |
üzemi |
Ismertetés:
|
A kitermelt talajvíz
mikroorganizmusokkal kerül kölcsönhatásba,
a szennyezések lebontása érdekében.
A mikroorganizmusokkal való kölcsönhatás
alapján két rendszer ismeretes: a szuszpendált
és a közvetítő rendszer.
Szuszpendált rendszerekben (eleveniszapos
tisztítás, fluidizációs
ágyak, sorba kapcsolt reaktorok) a szennyezett
talajvíz levegőztetett medencében kerül
kölcsönhatásba a mikroorganizmusokkal.
A szerves szennyezők aerob lebontása közben
CO2, víz és új baktériumtömeg
keletkezik. A derítőben kicsapódó
iszap újra felhasználható, vagy
lerakóra helyezhető.
Közvetítő rendszerekben az aktív
baktériumtömeg valamilyen hordozóközegen
telepedik meg, amellyel a szennyezett vizet kölcsönhatásba
hozzák (forgótányéros, csepegtetőtestes
berendezés stb.). A lebontás aerob.
Ígéretesnek tűnik un. aktív
kisegítő anyagok (mint pl. aktív szén)
alkalmazása, melyek a szennyezést adszorbeálják,
majd később fokozatosan lehetővé teszik
a szennyezések mikroorganizmusok általi
lebontását. A szennyezőanyag-specifikus
mikroorganizmusok vagy már megvannak a szennyezett
közegben, vagy beoltással kerülnek
a rendszerbe. |
Alkalmazási korlátok:
- a szennyezések jelentős hígítása
a megfelelő baktériumtömeg kiépülését
nem teszi lehetővé, ezért tápanyag
adagolás is szükséges (elsősorban
szuszpendált rendszereknél);
- nagyon magas szennyezés koncentrációk
toxikusak lehetnek a baktériumok számára;
- eleveniszapos rendszernél az illékony
komponensek kipárolgásának
ellenőrzése szükséges;
- alacsony hőmérsékleten a lebontás
sebessége jelentősen csökken, a fűtött
rendszer megnöveli a költségeket;
- a maradék iszap kezelése szükséges;
- a bioreaktorban feldúsuló, nem
hasznos mikroorganizmusok a hatékonyságot
csökkentik.
|
|
Melléktermék: |
szilárd |
|
Megbízhatóság/kezelhetőség: |
átlagos |
|
Mentesítés
időtartama: |
átlagos |
|
Átlagos költség:
Kritikus költségtényező |
jó
beruházás |
|
Hatásfok:
NHVOC:
HVOC:
NHSVOC:
HSVOC:
SZERVETLENEK:
ÜZEMANYAGOK:
ROBBANÓANYAGOK:
RADIOAKTÍV ANYAGOK: |
célcsoport
célcsoport
célcsoport
csak a célcsoport egyes elemeire
nem várható eredmény
célcsoport
célcsoport
nem várható eredmény |
4. 47 Mesterséges vizenyős területek
|
Mentesített
közeg: |
talajvíz, felszíni
víz, csurgalékvíz |
|
Technológiai
csoport: |
ex situ biológiai |
|
Fejlesztési
állapot: |
üzemi |
Ismertetés:
|
Mesterségesen kialakított
vizenyős területeken természetes geokémiai,
biológiai folyamatok révén a fémek,
és egyéb, vizekben jelenlévő szennyezések
megkötődnek, vagy lebomlanak.
Bár a mentesítési technológia
magában foglal minden, vizenyős területekre
jellemző alacsonyabb rendű flóra és fauna
elemet, a mentesítés zömét
mégis a mikroorganizmusok végzik.
A belépő magas fémtartalmú és
alacsony pH-jú víz aerob és anaerob
területeken folyik keresztül. A fémek
eltávolítása ioncsere, adszorpció,
abszorbció, geokémiai vagy mikrobiális
redukció/oxidáció útján
való kicsapatással történik.
Az ioncsere a szerves közeggel való kölcsönhatás
(humusz, szalma, szerves trágya, komposzt) útján
jöhet létre. Az oxidációt/redukciót
elősegítik azok a katalizátor baktériumok,
amelyek az aerob vagy anaerob zónákban
előfordulnak. Ezen baktériumoknak nagyon fontos
szerepük van a fémek kicsapatásában
hidroxidok és szulfidok formájában.
A kicsapatott és adszorbeált fémek
lassú folyású térben ülepednek
le, vagy növényekre rakódnak ill.
a porózus közegen átszivárogva
kiszűrődnek. |
Alkalmazási korlátok:
- a technológia hosszú távú
alkalmazhatósága még nem ismert;
- a területek kialakítása nagyon
hely-specifikus, és sok esetben gazdaságilag
nem kifizetődő.
|
|
Melléktermék: |
szilárd |
|
Megbízhatóság/kezelhetőség: |
nem értelmezhető |
|
Mentesítés
időtartama: |
szennyezés specifikus |
|
Átlagos költség:
Kritikus költségtényező |
átlagos
beruházás |
|
Hatásfok:
NHVOC:
HVOC:
NHSVOC:
HSVOC:
SZERVETLENEK:
ÜZEMANYAGOK:
ROBBANÓANYAGOK:
RADIOAKTÍV ANYAGOK: |
korlátozott hatásfok
korlátozott hatásfok
korlátozott hatásfok
csak a célcsoport egyes elemeire
célcsoport
korlátozott hatásfok
célcsoport
nem várható eredmény |
Mesterséges vizenyős területek létrehozásával elősegített komplex ártalmatlanítási eljárás
4. 48 Egyszerű
adszorpciós folyadéktisztításos eljárás
4.48 Adszorpció, abszorpció
|
Mentesített
közeg: |
talajvíz, felszíni
víz, csurgalékvíz |
|
Technológiai
csoport: |
ex situ fizikai/kémiai |
|
Fejlesztési
állapot: |
kísérleti |
Ismertetés:
|
Adszorpcó során
a folyadékokban lévő szennyezőanyag az
adszorbens felületén koncentrálódik.
Emiatt a folyadék többi részében
a szennyezőanyag-koncentráció lényegesen
csökken. Az adszorpciót fizikai, kémia
és elektrosztatikai folyamatok is eredményezhetik.
Folyadékokban az oldott anyag és az oldószer
közötti kölcsönhatás is fontos
lehet.
A leggyakrabban alkalmazott adszorbens anyag a granulált
aktívszén (lásd 4.50), emellett
azonban számos más természetes
és szintetikus anyag is létezik. Ezek
a következők:
Aktív timföld: Az aktív timföld
egy szűrőközeg, mely a bauxitfeldolgozás
eredménye, erősen porózus és adszorbtív
tulajdonságú. Számos szennyező
eltávolítására kiválóan
alkalmas, mint pl. a fluor, arzén, szelén.
A közeg időszakonként regenerálást
igényel a hatásfok fenntartása
érdekében.
Takarmány szivacs: a cellulózhoz kapcsolódó
polimerek a nehézfémek adszorpcióját
végzik el.
Lignin/agyag: Elsősorban vízben oldott szerves
és szervetlen szennyezők, valamint nehézfémek
kivonására alkalmas, a molekuláris
adhézió révén a szennyezők
felülethez való kötődéseáltal.
Szintetikus gyanták: ezek az anyagok az aktív
szénnél drágábbak, de bizonyos
szennyezőket szelektívebben és nagyobb
hatásfokkal lehet eltávolítani.
A regenerálás savakkal, lúgokkal,
vagy egyéb szerves oldószerekkel nem termikus
úton történik, ezáltal a hőmérséklet
hatására instabillá váló
anyagok (robbanóanyagok) kezelésére
alkalmasabbak. További előnyük, hogy az
oldott szilárd részek okozta eltömődés
(deaktiválás) veszélye nem áll
fenn, valamint a kopással szemben jobban ellenállnak,
mint az aktív szén. |
Alkalmazási korlátok:
- vízben oldódó komponensek
és kis molekulák nem adszorbeálódnak
jól;
- drága, ha elsődleges tisztításként,
magas szennyezőanyag-koncentrációk
esetén alkalmazzuk;
- nagyobb mennyiségű olajos szennyezés
esetén nem alkalmazható;
- a szűrő közeg gyakran veszélyes
hulladék.
|
|
Melléktermék: |
szilárd |
|
Megbízhatóság/kezelhetőség: |
nincs elegendő információ |
|
Mentesítés
időtartama: |
nincs elegendő információ |
|
Átlagos költség:
Kritikus költségtényező |
rossz
nincs elegendő információ |
|
Hatásfok:
NHVOC:
HVOC:
NHSVOC:
HSVOC:
SZERVETLENEK:
ÜZEMANYAGOK:
ROBBANÓANYAGOK:
RADIOAKTÍV ANYAGOK: |
korlátozott hatásfok
korlátozott hatásfok
korlátozott hatásfok
korlátozott hatásfok
célcsoport
nem várható eredmény
nem várható eredmény
csak a célcsoport egyes elemeire |
4. 49 Sztrippelés
|
Mentesített
közeg: |
talajvíz, felszíni
víz, csurgalékvíz |
|
Technológiai
csoport: |
ex situ fizikai/kémiai |
|
Fejlesztési
állapot: |
üzemi |
Ismertetés:
|
A kitermelt talajvízben
található illékony szennyező komponensek
eltávolítása a levegővel való
érintkezési felület megnövelésével
történik. A levegőztetés tornyokkal,
diffúz levegőztetéssel, tálcás
levegőztetéssel vagy esőztető levegőztetéssel
is megoldható.
A szennyező a folyadék-fázisból
(víz) gáz-fázisba megy át
(levegő). A mentesítési technológiákban
sztrippelő (levegőztető) tornyokat vagy levegőztető
tartályokat használnak.
Általában a torony tetején fúvókákon
keresztül lép be a víz, majd a gravitáció
hatására keresztülhalad a töltőanyagon
miközben alulról ventilátor segítségével
a víz áramlási irányával
szembe levegőt áramoltatnak. A kezelt vizet a
torony alján elhelyezkedő zsomp gyűjti össze.
Rögzített és mobil berendezések
egyaránt léteznek és gyakorlatilag
minden automatizálható (a páranyomás,
a levegő hőmérsékletének mérése,
szintszabályozás, stb.). A hatásfok
a levegő fűtésével növelhető.
Levegőztető tartály: a tartályba fúvókákon
keresztül levegőt nyomnak. A belépő víz
a légbuborékokkal keveredik. Terelőfalak
és több berendezés egymás
utáni alkalmazása biztosítja a
szükséges tartózkodási időt.
A berendezés előnye, hogy lényegesen kisebb,
mint a sztrippelő torony (kb. 2 m magas, míg
a sztrippelő torony kb. 5-12 m). A gázok elvezetése
és kezelése egyszerűen megoldható. |
Alkalmazási korlátok:
- az eltömődés veszélye fennáll
(5 mg/l feletti vastartalom, nagy keménység,
biológia eltömődés), szükséges
lehet a rendszeres tisztítás;
- csak 0,01-nél magasabb Henry-állandójú
VOC/SVOC-vel szennyezett víz esetén
hatásos;
- az alkalmazott töltőanyag mennyisége
és típusa gondosan mérlegelendő;
- magas energiaköltség;
- kevésbé illékony komponensek
esetén a víz melegítése
szükséges lehet;
- a távozó gázok kezelésére
szükség lehet.
|
|
Melléktermék: |
folyadék+pára |
|
Megbízhatóság/kezelhetőség: |
jó |
|
Mentesítés
időtartama: |
átlagos |
|
Átlagos költség:
Kritikus költségtényező |
jó
működtetés, karbantartás |
|
Hatásfok:
NHVOC:
HVOC:
NHSVOC:
HSVOC:
SZERVETLENEK:
ÜZEMANYAGOK:
ROBBANÓANYAGOK:
RADIOAKTÍV ANYAGOK: |
célcsoport
célcsoport
korlátozott hatásfok
korlátozott hatásfok
nem várható eredmény
korlátozott hatásfok
nem várható eredmény
nem várható eredmény |
4.49 Folyadék levegőztetés
(air stripping)
4.50 Folyadékfázis
aktívszenes szűrése
4. 50 Aktívszenes szűrés
|
Mentesített
közeg: |
talajvíz, felszíni
víz, csurgalékvíz |
|
Technológiai
csoport: |
ex situ fizikai/kémiai |
|
Fejlesztési
állapot: |
üzemi |
Ismertetés:
|
A kitermelt szennyezett
talajvizet aktívszenet tartalmazó szűrőn
szivárogtatjuk át. Az aktívszén
felületén a szerves szennyezők adszorbeálódnak.
Az aktívszén-szűrő időszakos regenerációja
szükséges (az adszorbeáló
felület telítődik). A regenerálás
időpontja az elfolyó víz szennyezéskoncentrációjának
ellenőrzésével állapítható
meg. Robbanóanyag és/vagy fémekkel
szennyezett talajvizek esetén a szűrő regenerálása
valószínűleg nem lehetséges, ezért
az aktívszén réteg cseréje
szükséges. A használt töltet
megfelelő lerakóra szállítandó.
Az aktívszén szűrés előtt célszerű
lehet a lebegőanyag tartalom csökkentése
pl. szűréssel, mert másként a szilárd
részek az aktívszén szűrő idő előtti
eltömődését okozzák, amit
a nyomásesés jelez. Bár öblítéssel
az aktívszén-szűrő is tisztítható,
minden öblítés során aktívszén
is távozik, ami veszteség. Két
típusa van: a fix és a mozgó ágyas
szűrő.
Szilikonnal impregnált aktívszén
alkalmazásával egyrészt az eltávolítás
hatásfoka, másrészt a működés
időtartama növelhető. További előny, hogy
biztonságosabban regenerálható. |
Alkalmazási korlátok:
- az eltömődés veszélye fennáll
(50 mg/l feletti lebegőanyag tartalom, 10 mg/l feletti
olaj vagy zsírtartalom), ilyenkor előkezelésre
lehet szükség;
- sokféle szennyező egyidejű jelenléte
csökkentheti a rendszer hatásfokát;
- elsődleges tisztításként
alkalmazva drága;
- az aktívszén minősége és
a pórusok mérete, valamint a működési
hőmérséklet befolyásolja a
hatásfokot;
- a vízben oldott komponensek, valamint
a kis molekulák nem adszorbeálódnak
jól;
- a kimerült aktívszén ártalmatlanításáról
gondoskodni kell.
|
|
Melléktermék: |
szilárd |
|
Megbízhatóság/kezelhetőség: |
jó |
|
Mentesítés
időtartama: |
jó |
|
Átlagos költség:
Kritikus költségtényező |
szennyezés specifikus
működtetés, karbantartás |
|
Hatásfok:
NHVOC:
HVOC:
NHSVOC:
HSVOC:
SZERVETLENEK:
ÜZEMANYAGOK:
ROBBANÓANYAGOK:
RADIOAKTÍV ANYAGOK: |
célcsoport
célcsoport
célcsoport
célcsoport
nem várható eredmény
korlátozott hatásfok
nem várható eredmény
nem várható eredmény |
4. 51 Ioncsere
|
Mentesített
közeg: |
talajvíz, felszíni
víz, csurgalékvíz |
|
Technológiai
csoport: |
ex situ fizikai/kémiai |
|
Fejlesztési
állapot: |
üzemi |
Ismertetés:
|
Ioncsere során a
víz fázis ionjait a cserélő közeg
ionjai váltják fel. Cserélő közegként
különböző gyanták (szintetikus
szerves anyagok, szervetlen természetes anyagok
pl. zeolit) szolgálnak. A gyanta kapacitásának
kimerítése után a cserélő
közeg újra felhasználása regenerálás
után lehetséges. |
Alkalmazási korlátok:
|
- olaj és zsír
az ioncserélő gyanta eltömődését
okozhatja;
- 10 mg/l feletti lebegőanyag tartalom a gyanta eltömődését
okozhatja;
- a kezelendő víz pH-ja befolyásolja
a megfelelő ioncserélő gyanta kiválasztását;
- a vízben lévő oxidáló
anyagok tönkretehetik a gyantát;
- a regeneráció során keletkező
szennyvíz kezelése és elhelyezése
szükséges. |
|
Melléktermék: |
szilárd |
|
Megbízhatóság/kezelhetőség: |
jó |
|
Mentesítés
időtartama: |
átlagos |
|
Átlagos költség:
Kritikus költségtényező |
jó |
|
Hatásfok:
NHVOC:
HVOC:
NHSVOC:
HSVOC:
SZERVETLENEK:
ÜZEMANYAGOK:
ROBBANÓANYAGOK:
RADIOAKTÍV ANYAGOK: |
nem várható eredmény
nem várható eredmény
nem várható eredmény
nem várható eredmény
célcsoport
nem várható eredmény
nem várható eredmény
korlátozott hatásfok |
4.51 Ioncseréléses
és adszorpciós eljárás folyamata
4.52 Fémek kicsapatásának
folyamata
4. 52 Kicsapatás, derítés
|
Mentesített
közeg: |
talajvíz, felszíni
víz, csurgalékvíz |
|
Technológiai
csoport: |
ex situ fizikai/kémiai |
|
Fejlesztési
állapot: |
üzemi |
Ismertetés:
|
A kicsapatás során
a vízben oldott formában jelenlévő
szennyezőket előbb szilárd, nem oldódó,
kis átmérőjű szuszpendált részekké
alakítjuk (kicsapatás), majd ezen részeket
fázisszétválasztásra alkalmassá
tesszük (koaguláció, flokkuláció)
és eltávolítjuk (ülepítés,
szűrés). A szilárd szemcsék méretének
növelésével az ülepedés
sebessége (flokkuláció) növelhető.
A fémek kicsapatása az ipari víztisztításban
nagyon régen ismert és alkalmazott módszer.
Kicsapatásra és az azt követő derítésre
elsősorban nehézfémek és azok radioaktív
izotópjainak jelenléte esetén érdemes
gondolni.
A fémek kicsapatása során a
vízben oldott formában jelenlévő
fémsókat kell vízben oldhatatlan
sókká alakítani, amelyek fázisszétválasztással
eltávolíthatók. A folyamat során
általában a pH beállítása,
kémiai kicsapató szerek, koagulánsok
és flokkuláló szerek alkalmazása
szükséges.
A fémek általában hidroxidok,
szulfidok vagy karbonátok formájában
csaphatók ki. A legfőbb flokkuláló
szerek a szervetlen elektrolitok (alumínium,
mész, vas klorid, vas szulfát), szerves
polimerek, szintetikus polielektrolitok. A fémkicsapatás
gyakran csak előkezelés pl. a kémiai oxidáció,
vagy sztrippelés előtt. |
Alkalmazási korlátok:
- amennyiben a szennyezőforrás eltávolítása
nem történik meg, a kitermelt talajvíz
tisztítására nagyon sokáig
szükség lesz;
- sokféle fém jelenléte nehézségeket
okozhat;
- további tisztítás is szükséges
lehet;
- a fémhidroxidok csak megfelelő állapotban
(határértékek) rakhatók
le;
- a hat vegyértékű króm koagulációt
és flokkulációt megelőző kezelése
szükséges;
- a folyamat során toxikus iszap keletkezhet;
- a rendszer üzemeltetése drága
lehet (drága vegyszerek alkalmazása,
gyakori ellenőrzés stb.);
- egyes komplex fémvegyületek kicsapatása
nehézkes (cianid, EDTA);
- a folyamat gondosan szabályozandó
(pontos adalékolás, oldott sók
és polimerek bevitele, pH szabályozás
stb.)
|
|
Melléktermék: |
szilárd |
|
Megbízhatóság/kezelhetőség: |
jó |
|
Mentesítés
időtartama: |
átlagos |
|
Átlagos költség:
Kritikus költségtényező |
jó |
|
Hatásfok:
NHVOC:
HVOC:
NHSVOC:
HSVOC:
SZERVETLENEK:
ÜZEMANYAGOK:
ROBBANÓANYAGOK:
RADIOAKTÍV ANYAGOK: |
nem várható eredmény
nem várható eredmény
nem várható eredmény
nem várható eredmény
célcsoport
nem várható eredmény
nincs elegendő információ
korlátozott hatásfok |
4. 53 Fázisszétválasztás
|
Mentesített
közeg: |
talajvíz, felszíni
víz, csurgalékvíz |
|
Technológiai
csoport: |
ex situ fizikai/kémiai |
|
Fejlesztési
állapot: |
üzemi |
Ismertetés:
|
Fázisszétválasztás
során a szennyezőket a hordozó közegtől
(víz) próbáljuk fizikai vagy kémia
úton leválasztani. A fázisszétválasztás
számos módon megvalósítható:
desztilláció, szűrés, fagyasztásos
kristályosítás, fordított
ozmózis stb.
Desztilláció: a különböző
páranyomású folyadékok kémiai
fázisszétválasztása, mely
során előbb az illékony komponensek kipárolognak,
majd kondenzálódnak. Desztilláció
lehetséges egy, vagy több lépcsőben
is. Többlépcsős desztilláció
segítségével különböző
hőfokon más-más illékony komponensek
választhatók ki. A desztillációs
edényben maradó folyadékban az
illékony szennyezők mennyisége jelentősen
csökken.
Szűrés: fizikai (mechanikus) fázisszétválasztás
szemcseméret alapján. Miközben a
víz egy porózus közegen (pl. homok)
szivárog át, a szilárd részek
a szűrő közegben vagy annak felületén
maradnak. Szűrés lehetséges membránon
való átáramoltatás segítségével
is (ultra/mikroszűrés).
Fagyasztásos kristályosítás:
a kristályosított oldószert (víz/jég)
távolítjuk el az oldatból. A víz
hűtése során először a vízfelszínen
jégkristályok jelennek meg. Az úszó
kristályok eltávolításával,
mosásával, majd megolvasztásával
tiszta, szilárdrész-mentes folyadékhoz
jutunk. A maradék oldat a szennyezőket nagyobb
koncentrációban tartalmazza, ezért
további tisztításuk, kezelésük
általában könnyebb.
Membránosátpárologtatás:
a felmelegített szennyezőanyagból a VOC
vákuum hatására átáramlik
a speciális nemporózus, organofil polimer
membránon, ott összegyűjtik, kondenzálják,
majd lerakóra helyezik.
Fordított ozmózis: a membrános
átpárologtatás módosított
változata, ahol csak a tiszta víz tud
áthatolni a membránon. A szennyezett víz
az átpárologtató egységbe
kerül vissza, ahol a VOC-t vákuummal kinyerik,
és lecsapatják. |
Alkalmazási korlátok:
- olaj és zsír jelenléte
az áramlási sebességet csökkentve
zavarja a szűrést;
- a desztilláció és a kristályosítás
helyigénye jelentős;
- robbanóképes, lebomló vagy
polimerizálódó komponensek
desztilláció útján való
eltávolítása nem szerencsés;
- a membrános és a fagyasztásos
módszer vizes oldatban használható.
|
|
Melléktermék: |
szilárd |
|
Megbízhatóság/kezelhetőség: |
jó |
|
Mentesítés
időtartama: |
jó |
|
Átlagos költség:
Kritikus költségtényező |
rossz |
|
Hatásfok:
NHVOC:
HVOC:
NHSVOC:
HSVOC:
SZERVETLENEK:
ÜZEMANYAGOK:
ROBBANÓANYAGOK:
RADIOAKTÍV ANYAGOK: |
célcsoport
célcsoport
célcsoport
célcsoport
csak a célcsoport egyes elemeire
célcsoport
nem várható eredmény
csak a célcsoport egyes elemeire |
4.53 Szennyezett talajvíz
fázisszétválasztásának folyamata
(szűrés)
4. 54 Esőztető öntözés
|
Mentesített
közeg: |
talajvíz, felszíni
víz, csurgalékvíz |
|
Technológiai
csoport: |
ex situ fizikai/kémiai |
|
Fejlesztési
állapot: |
üzemi |
Ismertetés:
|
A módszer elve az illékony
szennyezőanyag-tartalmú vizet nyomás alatt,
esőztető öntöző berendezésen áramoltatják
keresztül, ahonnan a szabad térbe kilépve
az illékony komponensek távoznak a légkörbe.
Csepegtetőtestek: a szennyvíztisztításból
ismert eljárás. A szennyezett víz
a csepegtetőtesteken keresztül csörgedezik
át, miközben a levegővel érintkezik.
A csepegtetőtestek lehetnek kő-, műanyag-, vagy faanyagúak.
A szerves szennyeződéseket a csepegtetőtesteken
megtelepülő mikroorganizmusok lebontják.
Az általában kör alakú szűrőtest
minimális magassága 0,9-5 m, átlagosan
1,8 m. A szűrőtest alatti gyűjtőrendszer a tisztított
vizet és aleváló mikroba tömeget
vezeti el, ill. a levegő bevezetését teszi
lehetővé. |
Alkalmazási korlátok:
|
- az illékony szennyezők
közvetlenül a légtérbe jutnak;
- fémtartalmú vizek ily módon
való kezelése nem lehetséges;
- a hőmérséklet befolyásolja
a folyamatokat. |
|
Melléktermék: |
folyadék+szilárd |
|
Megbízhatóság/kezelhetőség: |
átlagos |
|
Mentesítés
időtartama: |
átlagos |
|
Átlagos költség:
Kritikus költségtényező |
jó |
|
Hatásfok:
NHVOC:
HVOC:
NHSVOC:
HSVOC:
SZERVETLENEK:
ÜZEMANYAGOK:
ROBBANÓANYAGOK:
RADIOAKTÍV ANYAGOK: |
célcsoport
célcsoport
célcsoport
célcsoport
nem várható eredmény
célcsoport
nem várható eredmény
nem várható eredmény |
4. 55 UV oxidáció
|
Mentesített
közeg: |
talajvíz, felszíni
víz, csurgalékvíz |
|
Technológiai
csoport: |
ex situ fizikai/kémiai |
|
Fejlesztési
állapot: |
üzemi |
Ismertetés:
|
Az erős oxidálószer
és az UV sugárzás a vízben
található szerves szennyezőket szétroncsolja.
A szennyezőanyag oxidációja oxidálószerek,
UV fotolízis és UV sugárzás,
valamint ózon vagy hidrogénperoxid segítségével
történik. Amennyiben a teljes lebontás
kialakul, akkor a folyamat végterméke
széndioxid, víz és különböző
sók. Az UV oxidáció legnagyobb
előnye, hogy roncsolásos melléktermék
nem keletkezik, azaz a szennyezők veszélytelen
formában a vízben maradnak (ellentétben
számos más mentesítési technológiával,
mint pl. az aktív szénszűrés, sztrippelés,
stb., ahol kivonás után más fázisba
kerülnek). Az UV oxidáció lehet folyamatos
vagy szakaszos üzemű.
Az UV oxidáció során ózon
rendszer esetében 65 W-os, alacsony nyomású
lámpákat, míg hidrogén peroxid
rendszer esetében 15-60 kW-os lámpákat
használnak.
UV fotolízis: a folyamat során az UV
fény hatására a kémiai kötések
felbomlanak, de a teljes átalakulás, amely
során széndioxid, víz és
sók keletkeznek, nem valószínű. |
Alkalmazási korlátok:
- a magas energiaköltség miatt drágább
lehet az alternatív módszereknél;
- ózon rendszer esetében a szerves
illékony komponensek inkább elillannak,
mint lebomlanak, ezért az eltávozó
gázokból kell eltávolítani
(szűrő, katalitikus oxidáció);
- a szennyezett talajvíz nehézfém
tartalma 10 mg/l alatti legyen, és ne tartalmazzon
nem oldódó olajat vagy zsírt,
az eltömődés megakadályozása
érdekében;
- a folyadéknak az UV fényt jól
kell vezetnie (nem lehet túlságosan
zavaros);
- az oxidálószerek kezelése
különleges biztonsági-szabályok
betartását követeli;
- kémiai oxidálószer túladagolása
gátolja a lebontást.
|
|
Melléktermék: |
nincs |
|
Megbízhatóság/kezelhetőség: |
rossz |
|
Mentesítés
időtartama: |
nem értelmezhető |
|
Átlagos költség:
Kritikus költségtényező |
átlagos |
|
Hatásfok:
NHVOC:
HVOC:
NHSVOC:
HSVOC:
SZERVETLENEK:
ÜZEMANYAGOK:
ROBBANÓANYAGOK:
RADIOAKTÍV ANYAGOK: |
célcsoport
célcsoport
célcsoport
célcsoport
nem várható eredmény
célcsoport
célcsoport
nem várható eredmény |
4.55 Az UV oxidáción
alapuló víztisztítás elvi folyamata
4. 56 Talajvíz-kitermelés
|
Mentesített
közeg: |
talajvíz, felszíni
víz, csurgalékvíz |
|
Technológiai
csoport: |
szigetelés |
|
Fejlesztési
állapot: |
üzemi |
Ismertetés:
|
Célja a szennyezőanyag
kitermelése, vagy helybentartása.
Talajvíz kitermelés során a
vízadó rétegből a szennyezett vizet
kutakkal kitermelik, majd szükség szerint
tisztítják, vagy befogadóba vezetik.
Talajvíz szennyezése esetén ez
az egyik leggyakrabban alkalmazott mentesítési
technológia.
Hatékony rendszer akkor üzemelhet, ha
a terület alapos felmérése után
a felszín alatti áramlási rendszer
és a szennyezés terjedésének
változása időben és térben
ismert. Ezek a követelmények hidraulikai
és transzport modellezéssel kielégíthetők.
A rendszer kiegészítő, de nem nélkülözhető
részei a megfigyelő kutak, amelyek segítségével
a folyamat ellenőrizhető. Nem várt fejlemények
esetén a mentesítési technológia
módosítható.
Felületaktív anyagok, vagy gőz talajba
juttatása a szennyezőanyag mobilitásának
vagy oldhatóságának fokozásával
megkönnyíti a kitermelést, lehetővé
teszi, hogy a víz a hidrofób szennyezőanyagot
magával sodorhassa. Az így kitermelt vízben
nagyobb lesz a szennyezőanyag mennyiség. Az anyagokat
kutakon keresztül sajtolják a talajba, a
kitermelt víz kezelésekor pedig eltávolítják.
A szabad fázisú CH kitermelés hatékonysága
a kút szivattyúzásával keltett
depressziós térrel fokozható. Az
egyszivattyús módszer olcsóbb eszközöket,
egyszerűbb mélyítési rendszert
és karbantartást igényel, viszont
a kitermelt folyadékból, az úszó
fázist a felszínen kell leválasztani. |
Alkalmazási korlátok:
|
- a mentesítési
cél eléréséhez hosszú
időre van szükség;
- k< 10 -7 m/s, magas szorpciós
képességű szennyezőanyag esetében
nem alkalmazható;
- a kitermelt víz tisztítása
nagyon költséges és hosszadalmas
lehet;
- a kitermelő kutak biológiai eltömődése
gyakori probléma. |
|
Melléktermék: |
folyadék |
|
Megbízhatóság/kezelhetőség: |
jó |
|
Mentesítés
időtartama: |
nem értelmezhető |
|
Átlagos költség:
Kritikus költségtényező |
rossz |
|
Hatásfok:
NHVOC:
HVOC:
NHSVOC:
HSVOC:
SZERVETLENEK:
ÜZEMANYAGOK:
ROBBANÓANYAGOK:
RADIOAKTÍV ANYAGOK: |
korlátozott hatásfok
korlátozott hatásfok
korlátozott hatásfok
korlátozott hatásfok
korlátozott hatásfok
korlátozott hatásfok
korlátozott hatásfok
nem várható eredmény |
Védőkutas talajvízkitermelés
4.57 Vízrekesztő alapkőzetbe
bekötött vízzáró résfal keresztszelvénye
4. 57 Résfalak
|
Mentesített
közeg: |
talajvíz, felszíni
víz, csurgalékvíz |
|
Technológiai
csoport: |
szigetelés |
|
Fejlesztési
állapot: |
üzemi |
Ismertetés:
|
A résfal függőlegesen
mélyített, általában kis
szélességű, de a vízzáró
réteget elérő ill. abba behatoló
rés, melyet vízzáró anyaggal
töltenek ki. Az alkalmazott anyag legtöbbször
bentonit és víz keveréke, amely
meggátolja a rés beomlását
és vízzáró lepényt
képez a rés oldalán.
A résfal évtizedek óta ismeretes
mint mentesítési technológia. A
rendelkezésre álló gyakorlati tapasztalatok
szerint résfallal a nem szennyezett víztér
95%-a megvédhető a szennyezéssel szemben.
Arra azonban figyelni kell, hogy bizonyos szennyezések
a fal anyagának átalakulását
okozhatják, megkérdőjelezve a hosszú
távú hatásosságot. A résfal
általában talaj, bentonit és víz
keverékéből készül, de ahol
nagyobb szerkezeti szilárdság, speciális
vegyi adottságok, vagy szilárdsági
tulajdonságok szükségesek, egyéb
vegyi anyagok alkalmazására is sor kerülhet
(bentonit/cement, bentonit/puccolán, szervesen
módosított bentonit, fóliabetétes
összetett szerkezetű stb.).
A falat mint szigetelő réteget a szennyezés
terjedési pályájára merőlegesen
célszerű kiépíteni.
A résfalakat kb. 30 m mélységig
és 0,6–1,2 m szélességben szokás
elhelyezni. A hatásos szigetelés érdekében
a falat érdemes a vízzáró
fekübe mintegy 1 m mélységben bekötni.
Amennyiben ez nem lehetséges,akkor függő
résfal is épülhet, amely elsősorban
a víznél könnyebb folyadékok
terjedését gátolja meg. (Kötényfal) |
Alkalmazási korlátok:
- a résfal létrehozása nagy
volumenű építési munkával
jár;
- bentonit töltésű falak nem képesek
erős savaknak, lúgoknak,sóoldatoknak,
és néhány szerves anyagnak
ellenállni;
- a szigetelés nem garantálja, hogy
a terület jövőbeni aktív mentesítése
nem lesz szükséges (mivel anyaguk lebomolhat,
minőségük leromolhat);
- csak a körülzárt téren
belül tartja a szennyezést.
|
|
Melléktermék: |
nem értelmezhető |
|
Megbízhatóság/kezelhetőség: |
jó |
|
Mentesítés
időtartama: |
jó |
|
Átlagos költség:
Kritikus költségtényező |
jó
beruházás |
|
Hatásfok:
NHVOC:
HVOC:
NHSVOC:
HSVOC:
SZERVETLENEK:
ÜZEMANYAGOK:
ROBBANÓANYAGOK:
RADIOAKTÍV ANYAGOK: |
korlátozott hatásfok
korlátozott hatásfok
korlátozott hatásfok
korlátozott hatásfok
korlátozott hatásfok
korlátozott hatásfok
korlátozott hatásfok
nem várható eredmény |
4. 58 Biológiai szűrés
|
Mentesített
közeg: |
talajvíz, felszíni
víz, csurgalékvíz |
|
Technológiai
csoport: |
levegő/gáz
kezelés |
|
Fejlesztési
állapot: |
üzemi |
Ismertetés:
|
A gáz fázisú
szerves szennyező komponenseket szűrőágyon hajtják
keresztül. A szennyezők a szűrő anyagához
kötődnek (adszorpció), ahol a szennyezők
biológiai lebontása következik be.
Speciális baktériumkultúra és
kedvező körülmények biztosításával
a szennyezőanyag fajtájához optimalizálható
a rendszer. A bioszűrésnek számos előnye
van a hagyományos aktívszenes adszorpcióval
szemben. A bioszűrő adszorpciós kapacitása
nem merül ki (időben állandó), regenerálásra
nincs szükség. Ezek következtében
a beruházási és üzemeltetési
költség kedvező. További előny, hogy
a szennyezők nemcsak adszorbeálódnak,
hanem le is bomlanak. |
Alkalmazási korlátok:
- a beáramló légmennyiséget
(gáz) a bioszűrő mérete határozza
meg;
- alacsony hőmérsékleten a lebontás
csökken vagy megáll;
- biológiailag nem lebontható (nehezen
lebontható) komponensek nem alakulnak veszélytelen
végtermékké;
- megtelepülő gombák nehézséget
okozhatnak.
|
|
Melléktermék: |
folyadék+szilárd |
|
Megbízhatóság/kezelhetőség: |
nem értelmezhető |
|
Mentesítés
időtartama: |
jó |
|
Átlagos költség:
Kritikus költségtényező |
jó |
|
Hatásfok:
NHVOC:
HVOC:
NHSVOC:
HSVOC:
SZERVETLENEK:
ÜZEMANYAGOK:
ROBBANÓANYAGOK:
RADIOAKTÍV ANYAGOK: |
célcsoport
csak a célcsoport egyes elemeire
csak a célcsoport egyes elemeire
csak a célcsoport egyes elemeire
nem várható eredmény
célcsoport
csak a célcsoport egyes elemeire
nem értelmezhető |
4.58 Biofiltrációval
felszabadított szénhidrogének megkötése
4.59 Mobil plazmareaktor vázlatos
felépítése
4. 59 Roncsolás elektromos kisütéssel
|
Mentesített
közeg: |
gázok kezelése |
|
Technológiai
csoport: |
levegő/gáz
kezelés |
|
Fejlesztési
állapot: |
kísérleti |
Ismertetés:
|
A technológia lényege,
hogy magas feszültség segítségével
az illékony komponenseket szétroncsolják
szobahőmérsékleten. Cél, hogy olyan
hordozható berendezés álljon rendelkezésre,
mely egyéb alkalmazott mentesítési
technológiák esetében megoldja
a gázok kezelését.
A reaktor üvegcsövekből áll, melyeket
üvegszemcsékkel töltenek meg. A csöveken
keresztül áramlik a szennyezett gáz.
Minden cső kb. 5 cm átmérőjű, kb. 1,2
m hosszú és tömege kevesebb, mint
10 kg. A üvegcsövek tengelyében húzódik
a nagyfeszültségű elektróda, míg
a testet képező fémháló
körülveszi a csövet. Az elektródákra
30 kV-os feszültséget kapcsolnak (60 Hz,
50 mA). A rendelkezésre álló mobil
berendezés karbantartást gyakorlatilag
nem igényel. Az elektróda áramerőssége,
az alkalmazott teljesítmény a szennyezőanyag
koncentrációjától és
típusától függ. |
Alkalmazási korlátok:
|
Melléktermék: |
nincs |
|
Megbízhatóság/kezelhetőség: |
rossz |
|
Mentesítés
időtartama: |
nem értelmezhető |
|
Átlagos költség:
Kritikus költségtényező |
átlagos
nincs elegendő információ |
|
Hatásfok:
NHVOC:
HVOC:
NHSVOC:
HSVOC:
SZERVETLENEK:
ÜZEMANYAGOK:
ROBBANÓANYAGOK:
RADIOAKTÍV ANYAGOK: |
célcsoport
célcsoport
célcsoport
célcsoport
korlátozott hatásfok
célcsoport
nem várható eredmény
nem értelmezhető |
4. 60 Membrános szétválasztás
|
Mentesített
közeg: |
gázok kezelése |
|
Technológiai
csoport: |
levegő/gáz
kezelés |
|
Fejlesztési
állapot: |
kísérleti |
Ismertetés:
|
Ez a szerves gázokat
és levegőt szétválasztó
technológia a szerves gőzöknek a nem-porózus,
gáz szeparáló membránon
történő kedvező átáramlását
használja fel.
A nagynyomású membrános szétválasztó
rendszert alacsony illékony CH koncentrációjú
táplevegő kezelésére tervezték.
A rendszerben a komprimált táplevegőt
egy kondenzátorba (lecsapató) vezetik,
ahol a folyékony oldószert visszanyerik.
A kb. 5000 ppm VOC tartalmú távozó
légáramot a membrán egységre
vezetik. A modul műanyag távtartó ráccsal
szétválasztott membrán rétegekből
áll, amelyeket spirál alakban egy központban
elhelyezett gyűjtőcső közé tekercselnek.
E modulban a légáram VOC koncentrációja
3 %-ra nő, s a feldúsult levegőt további
kinyerésre a kompresszoron át újra
a lecsapató tartályba vezetik.
Alkalmazhatóság: a légáramban
lévő VOC, széntetraklorid és kloroform. |
Alkalmazási korlátok:
|
- nem képes a talajban
lévő szennyezőanyagok kezelésére;
- nem tudja kezelni a változó VOC koncentrációkat;
- a membrán nedvesedésre érzékeny. |
|
Melléktermék: |
nincs |
|
Megbízhatóság/kezelhetőség: |
rossz |
|
Mentesítés
időtartama: |
nem értelmezhető |
|
Átlagos költség:
Kritikus költségtényező |
átlagos
nincs elegendő információ |
|
Hatásfok:
NHVOC:
HVOC:
NHSVOC:
HSVOC:
SZERVETLENEK:
ÜZEMANYAGOK:
ROBBANÓANYAGOK:
RADIOAKTÍV ANYAGOK: |
célcsoport
célcsoport
korlátozott hatásfok
korlátozott hatásfok
nem várható eredmény
korlátozott hatásfok
korlátozott hatásfok
nem értelmezhető |
4.60 A membránszeparációs
fázisszétválasztás folyamata
4.61 Az oxidációs
eljárás egyszerűsített folyamata
4. 61 Oxidáció
|
Mentesített
közeg: |
gázok kezelése |
|
Technológiai
csoport: |
levegő/gáz
kezelés |
|
Fejlesztési
állapot: |
üzemi |
Ismertetés:
|
A szerves szennyezőanyagokat
égető berendezésben magas hőmérsékleten
(1000 o C) szétroncsolják (termikus
oxidáció). A levegőben lévő szerves
nyomelemeket alacsonyabb hőmérsékleten
katalizátor segítségével
(450 o C) kezelik.
A módszer a sztrippelés és talajgáz
kitermelés során keletkező gázok
kezelésére használatos. Termikus
oxidáció során a gázokat
kemencében melegítik fel (gázégő
segítségével), ahol azok oxidációja
bekövetkezik. Üzemanyag-szennyezések
esetén a hőmérsékletet 180 o C
alatt tartják, hogy a nyílt hőcserélőben
ne gyulladjon meg. A gáz tartózkodási
ideje általában kevesebb mint egy másodperc.
Az égetőkamra teljesítménye 0,6-2,5
millió J/h, működési hőmérséklete
760-870 o C.
A katalitikus oxidáció viszonylag új
keletű módszer. Katalizátor alkalmazásával
az oxidáció sebessége nő, mert
a katalizátor felületén a szennyezés
és az oxigén adszorbeálódik
ahol azok egymással kölcsönhatásba
lépve szén-dioxid, víz stb. keletkezik.
Katalizátor alkalmazásával lényegesen
alacsonyabb hőmérséklet is elégséges
(320-540 o C) a VOC oxidációjához.
Katalizátorként fémoxidokat, mint
pl. nikkel-oxid, réz-oxid, mangán-dioxid
vagy króm-dioxid, alkalmaznak de nemesfémek,
mint pl. platina, palládium is lehetséges.
Az oxidációs berendezések típusai:
- katalizátoros: (CuO, MnO2, NiO,
CrO, esetleg platina vagy palládium);
- belső égésű motor: üzemanyagaként
a mentesítendő gáz szolgál, ha
kevés, segéd-üzemanyagot használnak;
- termikus oxidáció: a füstgázt
előmelegítésként felhasználva
csökken a kiegészítő- üzemanyag
szükséglet a fenti két műszernél;
- UV oxidáció: az UV technológiánál
leírtak szerint; |
Alkalmazási korlátok:
- kén, vagy halogénezett komponensek
jelenléte a katalizátor tönkremeneteléhez
vezethet;
- halogénezett komponensek lebontása
speciális katalitikus közeget, különleges
anyagokat (berendezés) és a savas
gázkibocsátást csökkentő
szűrőt igényel;
- katalizátoros és termikus oxidációnál
a gázkoncentráció nem haladhatja
meg az alsó robbanáshatár 25%-át;
- klórozott szénhidrogének
és néhány nehézfém
egyes katalizátorokat károsíthat.
|
|
Melléktermék: |
szilárd |
|
Megbízhatóság/kezelhetőség: |
jó |
|
Mentesítés
időtartama: |
nem értelmezhető |
|
Átlagos költség:
Kritikus költségtényező |
jó |
|
Hatásfok:
NHVOC:
HVOC:
NHSVOC:
HSVOC:
SZERVETLENEK:
ÜZEMANYAGOK:
ROBBANÓANYAGOK:
RADIOAKTÍV ANYAGOK: |
célcsoport
célcsoport
célcsoport
célcsoport
korlátozott hatásfok
célcsoport
célcsoport
nem értelmezhető |
4. 62 Aktívszenes adszorpció
|
Mentesített
közeg: |
gázok kezelése |
|
Technológiai
csoport: |
levegő/gáz
kezelés |
|
Fejlesztési
állapot: |
üzemi |
Ismertetés:
|
A szennyezett gázokat
granulált aktívszéntölteten
áramoltatják keresztül. Az aktívszén
hatalmas fajlagos felülete révén
(300-2500 m 2 /g) adszorbeálja a szennyezőanyagokat
(szerves, egyes szervetlen szennyezőanyagok, bizonyos
fémek). A folyadék fázis aktívszenes
szűréséhez hasonlóan az aktívszén
egy idő után kimerül, regenerálása,
ártalmatlanítása szükséges. |
Alkalmazási korlátok:
- az elhasznált aktív szén
lerakásáról és/vagy
az adszorbeált anyag termikus kezeléséről
gondoskodni kell;
- 50 % feletti relatív páratartalom
és 38 o C-nál magasabb hőmérséklet
az aktívszén adszorpciós kapacitását
csökkenti;
- a szűrő felületén megtelepülő
biológiai réteg, vagy szilárd
részecskék csökkentik az átáramló
gáz mennyiségét;
- néhány komponens (keton) adszorpciója
során nagy hőmennyiség keletkezik,
amely a szén meggyulladását
is okozhatja.
|
|
Melléktermék: |
szilárd |
|
Megbízhatóság/kezelhetőség: |
jó |
|
Mentesítés
időtartama: |
nem értelmezhető |
|
Átlagos költség:
Kritikus költségtényező |
jó |
|
Hatásfok:
NHVOC:
HVOC:
NHSVOC:
HSVOC:
SZERVETLENEK:
ÜZEMANYAGOK:
ROBBANÓANYAGOK:
RADIOAKTÍV ANYAGOK: |
célcsoport
célcsoport
célcsoport
célcsoport
korlátozott hatásfok
célcsoport
célcsoport
nem értelmezhető |
4.62 Gázok aktívszenes
abszorpciójának egyszerűsített folyamata
|
|